电 话:028-86751041-8004
联系人:王倩
手 机:15308020014
地 址: 中国 上海 嘉定区嘉涌路99弄6号713

更新时间:2022-11-18 浏览数:80
所属行业:电子> 传感器、敏感元器件(电子元器件)> 角度传感器
发货地址:
产品规格:--
产品数量:1
包装说明:--
单 价:面议
宽幅凹槽型EE-SPX303N / SPX403N日本欧姆龙OMRON/传感器
企业QQ:2880626084
手机;(微信)
电话:-8005
邮箱:@163.com
联系人;冯娇
特性:
实现了与放大器内置型光电传感器同等的抗噪音性能
抗共态噪音性能达30倍以上(与以往产品相比)
抗逆变器噪音性能达10倍以上(与以往产品相比)
内置逆接保护回路
技术指南:
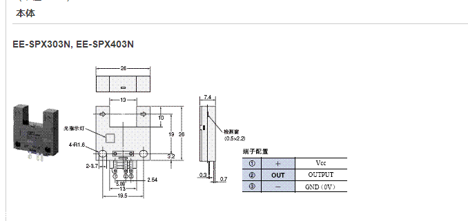
检测距离13mm(凹槽宽度)
标准检测物体2.2×0.5mm以上的不透明体
应差距离0.05mm以下
光源(大发光波长)红外发光二极管(脉冲灯亮)(940nm)
指示灯入光时亮灯(红色)
电源电压DC12~24V±10% 纹波(p-p) 5%以下
消耗电流15mA以下
控制输出NPN电压输出 负载电源电压DC12~24V 负载电流80mA以下
关机电流0.5mA以下
残留电压2.0V以下(负载电流80mA时)
残留电压1.0V以下(负载电流10mA时)
保护回路电源逆接保护、输出逆接保护
响应频率 *100Hz以上
使用环境照度受光面照度 白炽灯、太阳光:各3,000lx以下
环境温度范围工作时:-10~+55℃、保存时:-25~+65℃
环境湿度范围工作时:5~85%RH、保存时:5~95%RH
振动(耐久)10~55Hz 上下振幅1.5mm X、Y、Z各方向 2h
冲击(耐久)500m/s2 X、Y、Z各方向 3次
保护结构IEC规格 IP50
连接方式接插件型(不可焊接)
质量约4g
材质聚碳酸酯
尺寸图片:

宽幅凹槽型EE-SPX303N / SPX403N日本欧姆龙OMRON/传感器