电 话:021-39526589-8004
联系人:章莹玲
手 机:18918574312
地 址: 中国 上海 嘉定区嘉涌路99弄6号713

经理双向节流阀诺冠
工作原理:
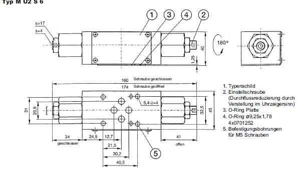
双节流止回阀Ng 6 和10
作为换向阀的中间设备 ng 6 和10
孔模式根据 DIN 24 340 和 ISO 4401
PN [Pmax] = 350 条7501414.05.10.08
施工两个节流止回阀彼此对称
安排 (在工作口岸 A 和 B)并节流每一个流体流动方向。
相反的方向通过无止回阀进行自由流动。
轴向可调节流活塞中的三角形凹槽
在外壳中形成节流面与环形通道边缘。
此节流阀可安装为进口和返回油门。通过转动
设备 Ng 6 围绕纵轴和设备ng 10 到横向轴, 入口或已达到返回油门。
安装示意图:

型节流止回阀安装法兰连接之间的线路连接
安装位置任意手动调整驱动质量双节流止回阀 [千克] 1.45 和3。3
环境温度范围聚 [°c] –20到 + 50大小6和10
液压参数:
工作压力范围 PE [条] 高达350
压力介质温度 Jmmax。[°c] + 70
粘度范围 n [mm2/s] 12 到500
流量电流 Q [升/分] 见副总裁 q 特征曲线
根据 ISO 4406:18/15 的纯度分类过滤绘制。
类型指定的构成是从类型键。标准版本在设备阵容中指定。
这是有利的, 如果这些标准版本除类型指定或命令之外不。
如果进一步的设备版本由类型组合做,将根据类型进行编译命令。
这些设备将被订单号从工厂, 这是在订单确认
指定。连接板, 如有必要,必要的紧固元件阀门组合或控制增强功能
必须单独订购;只有 O 形环包括在交货范围内。尺寸和类型紧固元素看见7501421。
双节流止回阀作为中间装置为换向阀 ng 10 与孔模式根据 DIN 24 340
和 ISO 4401, 可作为入口或返回油门。
双节流止回阀:型号指定: M U2 s 10 h 广州 001 7o o订单编号: 1065507

经理双向节流阀诺冠