电 话:028-86751041-8004
联系人:王倩
手 机:15308020014
地 址: 中国 上海 嘉定区嘉涌路99弄6号713

更新时间:2024-12-16 浏览数:52
所属行业:机械设备> 阀门> 手动阀
发货地址:
产品规格:--
产品数量:1
包装说明:--
单 价:面议
安装数据LGD20-8S工业气体手动阀/日本CKD喜开理
企业QQ:2880626084
手机;(微信)
电话:-8005
邮箱:@163.com
联系人;冯娇
特性:
使用流体 惰性气体、工艺气体
使用压力 Pa(abs)-MPa(G) 1.3×10-6
~0.99
流体温度 ℃ 5~80
环境温度 ℃ 5~80
阀座泄漏 Pa?m3
/sec.He 1.0×10-10以下
外部泄漏 Pa?m3
/sec.He 1.0×10-10以下
Cv值 (23℃ 加压下) 0.33/8”: 0.65 1/2”: 0.7
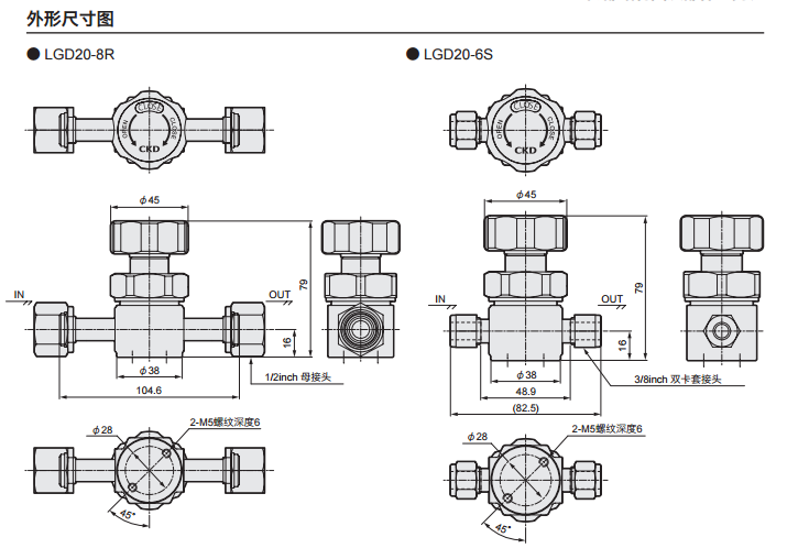
配管方式
相当于1/4”VCR公接头 相当于1/2”VCR公接头(3/8”通用)
相当于1/4”VCR母接头 相当于1/2”VCR母接头(3/8”通用)
1/4”双卡套接头 3/8”双卡套接头- 1/2”双卡套接头
动作方式 NC型(常闭)
NO型(常通)
控制压力 MPa NC : 0.4~0.6
NO : 0.4~0.5
操作气口 M5
重量 kg 0.23 注1 0.57




安装数据LGD20-8S工业气体手动阀/日本CKD喜开理