电 话:028-86751041-8004
联系人:王倩
手 机:15308020014
地 址: 中国 上海 嘉定区嘉涌路99弄6号713

更新时间:2024-12-16 浏览数:81
所属行业:机械设备> 气动元件(机械、工业制品、行业设备)> 气缸
发货地址:
产品规格:--
产品数量:1
包装说明:--
单 价:面议
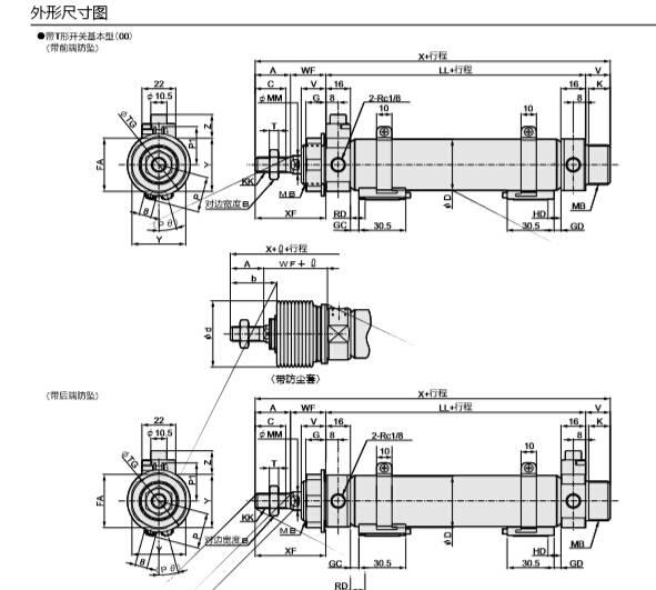
了解CKD喜开理紧固型/防坠式气缸性能

型号:
CMK2-Q-CC-32-25-R
CKD气缸SCA2系列中型气缸
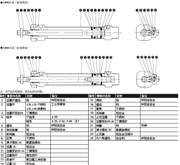
ckd气缸是由缸筒、端盖、活塞、活塞杆和密封件组成,
其内部结构如图所示:


ckd气缸原理图:
1.缸筒 缸筒的内径大小代表了气缸输出力的大小。活塞要在缸筒内做平稳的往复滑动,缸筒内表面的表面粗糙度应达到Ra0.8um。对钢管缸筒,内表面还应镀硬铬,以减小摩擦阻力和磨损,并能防止锈蚀。缸筒材质除使用高碳钢管外,还是用高强度铝合金和黄铜。小型气缸有使用不锈钢管的。带磁性开关的气缸或在耐腐蚀环境中使用的气缸,缸筒应使用不锈钢、铝合金或黄铜等材质。 ckd气缸活塞上采用组合密封圈实现双向密封,活塞与活塞杆用压铆链接,不用螺母。 2.端盖 端盖上设有进排气通口,有的还在端盖内设有缓冲机构。杆侧端盖上设有密封圈和防尘圈,以防止从活塞杆处向外漏气和防止外部灰尘混入缸内。杆侧端盖上设有导向套,以提高气缸的导向精度,承受活塞杆上少量的横向负载,减小活塞杆伸出时的下弯量,延长气缸使用寿命。导向套通常使用烧结含油合金、前倾铜铸件。端盖过去常用可锻铸铁,现在为减轻重量并防锈,常使用铝合金压铸,微型缸有使用黄铜材料的。
了解CKD喜开理紧固型/防坠式气缸性能