电 话:021-39526589-8004
联系人:章莹玲
手 机:18918574312
地 址: 中国 上海 嘉定区嘉涌路99弄6号713

为您产品德国宝硕节流单向阀
企业QQ:2880626087
手机:
电话: -8004
传真: -8007
邮箱: @163.com
联系人:王倩
特征:
通过大的可调整性
恒定的旋钮高度
由于高分辨率而具有良好的重复性
旋钮直径
(10转)
良好的可读性在所有方面的设置
实物图:

分类:
节流阀按通道方式可分为直通式和角式两种;按启闭件
的形状分,有针形、沟形和窗形三种。
可调节节流阀:阀针和阀芯采用硬质合金制造,产品按
便,产品按API6A标准设计,阀芯表面覆盖碳化钨,适
合于有闪蒸、高压差,高压力,空化等条件苛刻的场
API6A标准设计,具有耐磨、耐冲刷性能。主要用于
井口采油(气)树设备,
滑套式节流阀:阀芯采用低噪音平衡型结构,开启轻
合,使用寿命长,流量调节精度大大提高。适用于石
油,天然气,化工,炼油,水电等行业。
液压特性:
工作压力范围
pe [bar]:
0至350
开启压力
100
粘度范围
n [mm2
/ S]:
p?[bar]:
12至500
流程流
Q [l / min]:
见特征
0.5
流体温度
大。[℃]:
特征:
名称:
缺口油门
安装:
线
自由流过
止回阀
从B到A.
任何
流动方向:
油门功能
从A到B,
密封材料:
氟橡胶
电缆连接:
线程连接后
速度控制器
符号:
请参阅设备设置
类型:
DIN ISO 228/1
(管附件)
安装方式:
应用:
由于节流阀的流量不仅取决于节流口面积的大小,还
对于执行元件负载变化大及对速度稳定性要求高的节
流调速系统,必须对节流阀进行压力补偿来保持节流
与节流口前后的压差有关,阀的刚度小,故只适用于
执行元件负载变化很小且速度稳定性要求不高的场合。
阀前后压差不变,从而达到流量稳定。
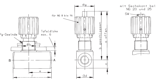
尺寸图:


结构:
节气门来自a
调整主轴上的纵向切口
形成。
内置止回阀。
横截面变化
节流点是线性的
在A的流动方向上
调整。
后一回合给出
流动横截面的扩大
到B节流功能和
从B流向
直到
完全开放。
自由流过
为您产品德国宝硕节流单向阀