电 话:021-39526589-8004
联系人:覃小敏
手 机:19117262520
地 址: 中国 上海 嘉定区嘉涌路99弄6号713

更新时间:2026-05-14 浏览数:52
所属行业:机械设备> 阀门> 执行器
发货地址:
产品规格:--
产品数量:1
包装说明:--
单 价:面议
意大利CAMOZZI短行程气缸QN1A08A04特点
企业QQ:2880626087
手机:
电话: -8004
传真: -8007
邮箱: @163.com
联系人:王倩
常见故障:
⒈汽缸是铸造而成的,汽缸出厂后都要经过时效处理,使汽缸
在住铸造过程中所产生的内应力完全消除。如果时效时间短,
那么加工好的汽缸在以后的运行中还会变形。
⒉汽缸在运行时受力的情况很复杂,除了受汽缸内外气体的压
力差和装在其中的各零部件的重量等静载荷外,还要承受蒸汽
流出静叶时对静止部分的反作用力,以及各种连接管道冷热状
早等,在汽缸中和法兰上产生很大的热应力和热变形。
⒋汽缸在机械加工的过程中或经过补焊后产生了应力,但没有
对汽缸进行回火处理加以消除,致使汽缸存在较大的残余应力,
态下对汽缸的作用力,在这些力的相互作用下,汽缸易发生塑
性变形造成泄漏。
⒊汽缸的负荷增减过快,特别是快速的启动、停机和工况变化
时温度变化大、暖缸的方式不正确、停机检修时打开保温层过
在运行中产生的变形。
实物图样:

结构:
气缸是由缸筒、端盖、活塞、活塞杆和密封件等组成,其内部
结构如图所示:
1)缸筒
缸筒的内径大小代表了气缸输出力的大小。活塞要在缸筒内做
平稳的往复滑动,缸筒内表面的表面粗糙度应达到Ra0.8μm。
设有活塞密封圈。活塞上的耐磨环可提高气缸的导向性,减少
活塞密封圈的磨耗,减少摩擦阻力。耐磨环长使用聚氨酯、聚
SMC、 CM2气缸活塞上采用组合密封圈实现双向密封,活塞
与活塞杆用压铆链接,不用螺母。
2)端盖
端盖上设有进排气通口,有的还在端盖内设有缓冲机构。杆侧
端盖上设有密封圈和防尘圈,以防止从活塞杆处向外漏气和防
的下弯量,延长气缸使用寿命。导向套通常使用烧结含油合金、
前倾铜铸件。端盖过去常用可锻铸铁,为减轻重量并防锈,常
使用铝合金压铸,微型缸有使用黄铜材料的。
3)活塞
活塞是气缸中的受压力零件。为防止活塞左右两腔相互窜气,
止外部灰尘混入缸内。杆侧端盖上设有导向套,以提高气缸的
导向精度,承受活塞杆上少量的横向负载,减小活塞杆伸出时
四氟乙烯、夹布合成树脂等材料。活塞的宽度由密封圈尺寸和
必要的滑
控制螺栓应力的方法:
如果汽缸结合面的变形较小,而且很均匀,可在有间隙处更换
栓。理论上来说,控制螺栓的预紧力可用公式d/L≤A来计算,
但由于此计算的数据与测量的手段还在研究当中,没有达到推
新的螺栓,或是适当的加大螺栓的预紧力。按从中间向两边同
时紧固,也就是从垂弧大处或是受力变形大的地方紧固螺
广,多在螺栓的允许的大应力内根据经验而定。
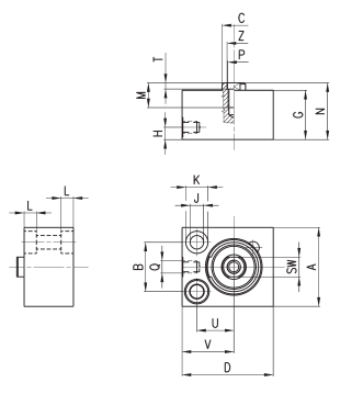
尺寸图:


型号:
N208-L00
N208-D00
N208-D00-2
N208-D00-7
N208-D01
N208-D01-7
N208-D00-4
N208-D10
N208-D08
N208-D18
N108-D11-4
N108-D08
N108-D18
N208-F00
N208-F10
N008-FS07
N008-FS08
N208-FB0
N208-F08
N208-F18
N208-FB8
N208-F04
N208-F14
N208-FB4
N208-F05
N208-F15
N208-FB5
N1208-R00
N1208-R20
N108-FB0
N108-F08
N108-F18
N108-FB8
N108-L00
N108-D00
N108-D00-TM
N108-D00-2
N108-D00-7
N108-D01
N108-D00-4
N108-D10
N108-D10-2
N108-D10-7
N108-D11
N108-D11-2
N108-D10-4
N1208-R70
N1208-R01
N1208-R10
N1208-R11
意大利CAMOZZI短行程气缸QN1A08A04特点