电 话:021-39526589-8004
联系人:覃小敏
手 机:19117262520
地 址: 中国 上海 嘉定区嘉涌路99弄6号713

更新时间:2022-11-18 浏览数:123
所属行业:机械设备> 阀门> 执行器
发货地址:
产品规格:--
产品数量:1
包装说明:--
单 价:面议
SCHMALZ真空吸盘SPK 110 MOS EPDM-15 G1 / 2-IG
企业QQ:2880626087
手机:
电话: -8004
传真: -8007
邮箱: @163.com
联系人:王倩
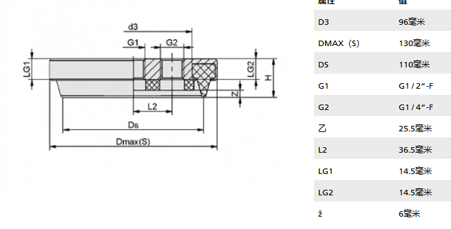
技术数据:
吸力 471 N
音量 67.4 cc
工件半径(min)(凸面) 500毫米
内管直径(rec。) 12毫米
大小 110
材料硬度 15°Sh
重量 465克
实物图:

吸盘分类:
一种利用内外大气压力的差别,吸附在物体上的一种挂件,或者是抓
取物体的一种工具。
另一种是磁力吸盘,专门用于对铁磁性物质的吸附和固定, 大多数
应用在机械加工等领域.
利用吸力夹持工件的机床附件。常用的吸盘是磁力吸盘,一般
为矩形或圆盘形。它利用磁力将铁磁性工件吸紧,用于大. 永磁
吸盘不因通电而发热和变形,故不影响加工精度。但是也会因为
磁致伸缩有很微小的变形. 另有利用真空吸力的真空吸平面磨床
,也用于铣床和车床, 数控机床, 加工中心等。吸盘按磁力来源分
件。②永磁吸盘:体内装有整齐排列并被不导磁材料隔开的磁
铁(图2),当磁铁与吸盘面板上的导磁体对准时,磁力线通过工件形
成闭合回路,吸紧工件;当转动手柄使磁铁与导磁体错开,磁力线不
再通过工件,即可卸下工件。
以前的永磁吸盘吸力比电磁吸盘小. 但是现在磁性材料性能的提
高和设计生产工艺的提高, 永磁吸盘的吸力可以做得比电磁吸盘
有电磁吸盘和永磁吸盘两类。①电磁吸盘:体内装有多组线圈(图
1),通入直流电产生磁场,吸紧工件;切断电源,磁场消失,松开工
盘和利用工件与台面间的正负静电荷相吸的静电吸盘。这些吸盘
吸力都较小,只适用于吸紧薄壁工件或非磁性工件等。
尺寸图:

SCHMALZ真空吸盘SPK 110 MOS EPDM-15 G1 / 2-IG