电 话:021-39526589-8004
联系人:覃小敏
手 机:19117262520
地 址: 中国 上海 嘉定区嘉涌路99弄6号713

更新时间:2024-12-16 浏览数:60
所属行业:机械设备> 阀门> 执行器
发货地址:
产品规格:--
产品数量:1
包装说明:--
单 价:面议
原装美国ASCO电磁阀188系列的原理及特征介绍
企业QQ:2880626087
手机:
电话: -8004
传真: -8007
邮箱: @163.com
联系人:王倩
实物图样:

描述:
ASCO 188系列电磁阀设计用于控制空气和惰性气体,也可用
醉输送系统以及工业气体分析仪。高流量模型容量超过了市
于指挥其他阀门或气瓶。其紧凑的结构和低功耗(1.3 W)使
其成为便携式医疗设备的选择,如呼吸疗法,牙科和麻
场上同样大小的产品。
环境条件:
1)环境的高和低温度应选在允许范围之内;
如船用电磁阀;
4)在有腐蚀性或爆炸性环境中的使用应优先根据安全性
2)环境中相对湿度高及有水滴雨淋等场合,应选防水电磁阀
3)环境中经常有振动,颠簸和冲击等场合应选特殊品种,
例要求选用耐发蚀型;
5)环境空间若受限制,需选用多功能电磁阀,因其省去了旁
路及三只手动阀且便于在线维修。
特征:
紧凑的设计可节省空间并缩短组装时间
LED和电气保护标准
符合所有相关CE指令并符合RoHS标准
主体材料:PA
手动覆盖
低功耗:1.3W
1 W版本可用于增加多功能性
标准功能包括LED视觉指示器和电气保护电路
密封件:NBR
分步直动式电磁阀:
原理:它是一种直动和先导式相结合的原理,当入口与出口
没有压差时,通电后,电磁力直接把先导小阀和主阀关闭件
降,从而利用压差把主阀向上推开;断电时,先导阀利用弹
簧力或介质压力推动关闭件,向下移动,使阀门关闭。
依次向上提起,阀门打开。当入口与出口达到启动压差时,
通电后,电磁力先导小阀,主阀下腔压力上升,上腔压力下
特点:在零压差或真空、高压时亦能可*动作,但功率较大,
要求必须水平安装。
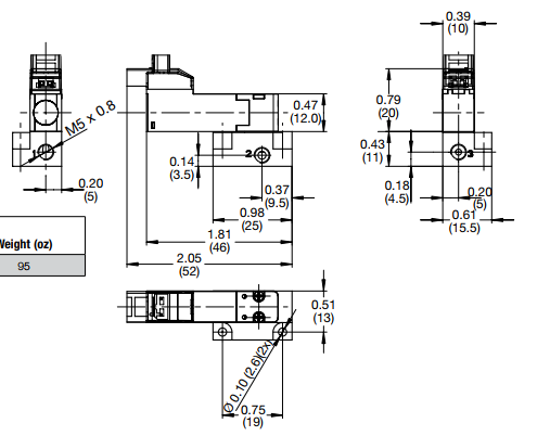
尺寸图:

替代建筑/选项:
其他结构和选项可用,包括备用
弹性体,闭锁线圈和电连接。低限度
数量适用
性能要求:
1.换向性能
在规定的工作条件下,电磁阀通电后能否可靠地换向,断电
电磁换向阀的内泄露量是指在规定的工作条件下,处于各个不
同工作位置时,从高压腔到低压腔的泄露量。后能否可靠地复位。
2.压力损失
电磁换向阀的压力损失由液流流过电磁换向阀的阀口时产生的
流动损失和节流损失组成。
3.内泄露量
原装美国ASCO电磁阀188系列的原理及特征介绍