电 话:028-86751041-8004
联系人:章莹玲
手 机:18918572467
地 址: 中国 上海 嘉定区嘉涌路99弄6号713

更新时间:2024-11-20 浏览数:52
所属行业:机械设备> 阀门> 执行器
发货地址:
产品规格:--
产品数量:1
包装说明:--
单 价:面议
原装SMC5通气控阀VZA2241-1
企业QQ:2880626087
手机:
电话: -8004
传真: -8007
邮箱: @163.com
联系人:王倩
产品信息:
机能 2 2位双电控
主体型式 4 底板配管型
螺纹的种类 - Rc,M5
先导口配管方法 1 底板侧(内部)
接管口径 - 无底板
实物图样:

气动控制阀的分类:
气动控制阀是指在气动系统中控制气流的压力、流量和流动
方向,并保证气动执行元件或机构正常工作的各类气动元件
。控制和调节压缩空气压力的元件称为压力控制阀。控制和
量控制阀和方向控制阀来实现程序动作;连续控制系统中,除
了要用压力、流量控制阀外,还要采用伺服、比例控制阀等
调节压缩空气流量的元件称为流量控制阀。改变和控制气流
现信号的逻辑运算功能。随着气动元件的小型化以及PLC控
流动方向的元件称为方向控制阀。快易优自动化选型有收录
SMC各类产品, 除上述三类控制阀外,还有能实现一定逻
上和方向控制阀相同,仅仅是体积和通径较小,一般用来实
制在气动系统中的大量应用,气动逻辑元件的应用范围正在
逐渐减小。从控制方式来分,气动控制可分为断续控制和连
续控制两类。在断续控制系统中,通常要用压力控制阀、流
辑功能的逻辑元件,包括元件内部无可动部件的射流元件和
有可动部件的气动逻辑元件。在结构原理上,逻辑元件基本
,以便对系统进行连续控制。
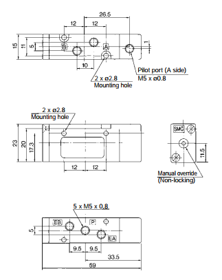
尺寸图:

型号:
VXD260NZ2A
VXD260NJ
VXD260NN
VXD260NT
VXD260NZ1A
VXD260NZ1B
VXD260NZ1D
VXD260NZ1G
VXD260NZ1U
VXD263PZ1G
VXD263PZ2A
VXD265NC
VXD265NZ1B
VXD265NZ1C
VXD266NZ1B
VXD266PZ1B
VXD270QA
VXD270QC
VXD260NJ
VXD260NN
VXD260NT
VXD260NZ1A
VXD260NZ1B
VXD260NZ1D
VXD260NZ1G
VXD260NZ1U
VXD260NZ1V
VXD262NF
VXD260NZ2AXB
VXD260NZ2C
VXD260NZ2G
VXD260NZ2K
VXD260NZ2R
VXD262NA
VXD262NAB
VXD262NB
VXD262NC
VXD262ND
VXD270QG
VXD270QJ
VXD270QZ1B
VXD260NZ1V
VXD260NZ2A
VXD260NZ2AXB
VXD260NZ2C
VXD260NZ2G
VXD260NZ2K
VXD260NZ2R
VXD262NA
VXD262NAB
VXD262NB
VXD262NC
VXD262ND
VXD262NF
原装SMC5通气控阀VZA2241-1