电 话:021-39526589-8004
联系人:覃小敏
手 机:19117262520
地 址: 中国 上海 嘉定区嘉涌路99弄6号713

更新时间:2022-11-18 浏览数:28
所属行业:机械设备> 阀门> 执行器
发货地址:
产品规格:--
产品数量:1
包装说明:--
单 价:面议
进口AVENTICS微型气缸0822431203的原理分析
企业QQ:2880626087
手机:
电话: -8004
传真: -8007
邮箱: @163.com
联系人:王倩
产品信息:
实用原则 单作用式,不受压缩回
缓冲 弹性
气缸管子 不锈钢
活塞杆 不锈钢
活塞 黄铜, 铝材
活塞直径 12 mm
活塞杆螺纹 M6
标准化 ISO 6432
环境温度范围 -25 ... 80 °C
压缩空气连接 M5
介质温度范围 -25 ... 80 °C
介质 压缩空气
行程 50 mm
密封件材料 丙烯树胶,聚氨酯
防尘圈 聚氨酯
耐腐蚀 防腐蚀
压缩空气接口型号 内螺纹
实物图:

缸筒:
缸筒的内径大小代表了气缸输出力的大小。活塞要在缸筒内做
的下弯量,延长气缸使用寿命。导向套通常使用烧结含油合金
、前倾铜铸件。端盖过去常用可锻铸铁,为减轻重量并防锈
平稳的往复滑动,缸筒内表面的表面粗糙度应达到Ra0.8μm。
发展历程:
1680年,荷兰科学家霍因斯受到大炮原理的启发,心想如将炮
弹的强大力量用来推动其它机械不是挺好吗?他一开始仍用火药
以准备进行下一次爆炸。当然,由于行程过长,效率太低,他
终没有取得成功。但是,正是霍因斯首先提出了"内燃机"的
作燃烧爆炸物,将炮弹改成"活塞",把炮筒作"气缸",并开一
爆炸燃烧,推动活塞向上运动,并产生动力。同时,爆炸气巨
大的压力还推开单向阀,排出废气。而后,气缸内残余废气逐
个单向阀。他在气缸内注入火药,当点燃火药后,火药猛烈地
渐变冷,气压变低,气缸外部的大气压又推动活塞向下运动,
设想,后人在此基础上才发明了汽车用的发动机。
端盖:
端盖上设有进排气通口,有的还在端盖内设有缓冲机构。杆侧止
外部灰尘混入缸内。杆侧端盖上设有导向套,以提高气缸的
导向精度,承受活塞杆上少量的横向负载,减小活塞杆伸出时
端盖上设有密封圈和防尘圈,以防止从活塞杆处向外漏气和防
,常使用铝合金压铸,微型缸有使用黄铜材料的。
型号:
5811492430
5811492440
5811492450
5811492530
5811492540
5811492650
5811493190
5811493430
5811490440
5811490450
5811490530
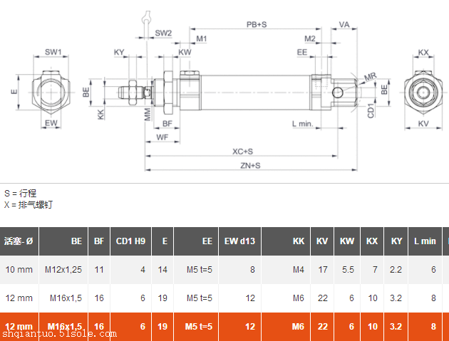
尺寸图:

5811461130
5811461160
5811462130
5811462160
5811463130
5811463160
5811480000
5811481000
5811490190
5811490430
5811492190
5811490540
5811490650
5811491190
5811491430
5811491440
5811491450
5811491530
5811491540
5811491650
进口AVENTICS微型气缸0822431203的原理分析