电 话:028-86751041-8004
联系人:王倩
手 机:15308020014
地 址: 中国 上海 嘉定区嘉涌路99弄6号713

更新时间:2022-11-18 浏览数:54
所属行业:机械设备> 阀门> 执行器
发货地址:
产品规格:--
产品数量:1
包装说明:--
单 价:面议
德国菲尼克斯PHOENIX设备端子2716033的功能特性
企业QQ:2880626087
手机:
电话: -8004
传真: -8007
邮箱: @163.com
联系人:王倩
简介:
端子断面检测显微镜观察物体时能产生正立的三维空间像,立体感
强,成像清晰和宽阔,具有较长的工作距离;配置高精度线束端子图
片测量分析系统,组合成线束端子检测显微镜,高品质光学系统与高
分辨率摄像头的完美组合,让断面图像更清晰,独特的定倍定档让
测量更。
检测端子压的好不好,需要通过的检测设备进行检测。
实物图:

技术数据:
位数
3
层数
1
连接量
6
电位
3
额定条件下的大功耗
1.02 W
环境温度(运行)
-40 °C ... 80 °C
额定横截面
4 mm2
颜色
剥线长度
8 mm
塞规
A3
螺纹
M3
小紧固扭矩
0.6 Nm
灰色
绝缘材料
PA
阻燃等级,符合UL 94
V0
额定浪涌电压
6 kV
检测仪:
接线端子逐渐广泛应用到各个领域,在传递电信号和导电方面起到
,适合端子检测的仪器可以的检测设备进行检测。 常用的
了连接作用,从而减少了工作量和生产成本的消耗,给生产和使用
约制造成本的目的。因此针对端子检测带来的好处并结合市场分析
带来了诸多便利,避免了许多的麻烦。从而达到简化产品结构、节
端子检测设备有:工具显微镜和光学影像仪。
折叠编辑
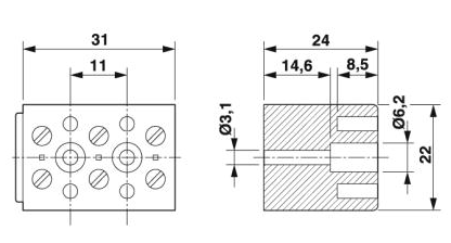
尺寸图:

型号:
2902911
2902912
2902913
2902914
2902955
2902956
2902957
2902958
2902959
2902961
2902962
2902963
2902964
2902965
2902854
2902856
2902857
2902863
2902872
2902873
2902874
2902879
2902896
2902909
2902910
2902966
2902967
2902931
2902932
2902933
2902934
2902935
2902936
2902945
2902946
2902952
2902953
2902954
德国菲尼克斯PHOENIX设备端子2716033的功能特性