电 话:021-39526589-8004
联系人:覃小敏
手 机:19117262520
地 址: 中国 上海 嘉定区嘉涌路99弄6号713

更新时间:2026-05-11 浏览数:78
所属行业:机械设备> 阀门> 执行器
发货地址:
产品规格:--
产品数量:1
包装说明:--
单 价:面议
CAMOZZI康茂盛69-100/090-M旋转气缸技术指南
企业QQ:2880626087
手机:
电话: -8004
传真: -8007
邮箱: @163.com
联系人:王倩
基本简介:
回转气缸主要由导气头、缸体、活塞及活塞杆组成。回转气缸工作
时,外力带动缸体、缸盖及导气头回转,而活塞及活塞杆只能作往
复的直线运动,并且导气头体外接管路,固定不动。
应用领域:回转气缸主要用在印刷(张力控制)、半导体(点焊机、芯片
其构造是将2个回转气缸的动作结合为一,叶片型摇动驱动器可做2
研磨段式与3段式的转动.
实物图:

活塞:
活塞是气缸中的受压力零件。为防止活塞左右两腔相互窜气,设有
布合成树脂等材料。活塞的宽度由密封圈尺寸和必要的滑动部分长
度来决定。滑动部分太短,易引起早期磨损和卡死。活塞的材质常
活塞密封圈。活塞上的耐磨环可提高气缸的导向性,减少活塞密封
圈的磨耗,减少摩擦阻力。耐磨环长使用聚氨酯、聚四氟乙烯、夹
用铝合金和铸铁,小型缸的活塞有黄铜制成的。
描述:
气缸的转矩输出有孔输出和轴输出两种形式,转角公差很小。气缸
了旋转气缸的输出轴(孔)在到达极限角度时产生的震动和噪音。
的前后端盖上装有可调气缓冲装置及机械缓冲装置,从而大大减少
气缸的活塞上均装有永磁铁,通过安装磁性接近开关,可得到气缸
的输出转角信号。
型号:
QP2A100A010
QP2A100A010EX
QP3A100A010
QP1A100A015
QP3A100A050
QP3A100A050V
QP2A100A055
QP2A100A060
QP2A100A060EX
QPR2A080A075
QPR3A080A075
QP2A100A025W
QP3A100A025
QP3A100A025V
QP2A100A030
QP2A100A030(20)
QP2A100A030V
QP2A100A030W
QP3A100A030
QP2A100A035
QPR2A080A080
QP2A100A015
QP2A100A015EX
QP3A100A015
QP1A100A020
QP2A100A020
QP3A100A020
QP2A100A045
QP2A100A050
QP2A100A050V
QPR3A080A080
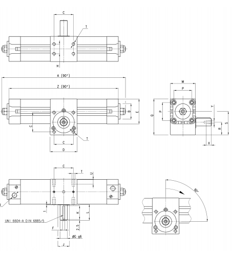
尺寸图:


QPR2A080A090
QPR2A080A100
QPR2A080A100V
QPR3A080A100
QPR2A080A125
QP1A100A005
QP2A100A005
QP1A100A010
QP2A100A060V
QP2A100A060W
QP3A100A060
QP1A100A025
QP2A100A025
QP2A100A025V
QP2A100A040
QP3A100A040
QP2A100A043
CAMOZZI康茂盛69-100/090-M旋转气缸技术指南