电 话:028-86751041-8004
联系人:王倩
手 机:15308020014
地 址: 中国 上海 嘉定区嘉涌路99弄6号713

更新时间:2024-12-16 浏览数:30
所属行业:机械设备> 阀门> 执行器
发货地址:
产品规格:--
产品数量:1
包装说明:--
单 价:面议
原装CKD带导承气缸STS-B-40-20的重要资料
企业QQ:2880626087
手机:
电话: -8004
传真: -8007
邮箱: @163.com
联系人:王倩
市场:
气缸即可占领一块市场,获得不小的经济效益,这已被大家共识。
济南华能气动元器件公司为铁路编组和轮轨润滑的特殊要求开发了
缩空气中的水分,有节能、寿命长、可靠性高、体积小、重量轻等
气缸和阀,受到了铁道部门的关注。 使用新材料,与新技术相结合.
国外开发了膜式干燥器,该干燥器利用高科技的反渗析薄膜滤去压
特点、适用于流量不大的场合
实物图:

技术数据:
动作方式:双作用
使用流体:压缩空气
高使用压力:1.0mpa
使用活塞速度:50-500MM/S
缓冲:橡胶缓冲
给油:不要给油
低使用压力:0.1mpa
保证耐压力:1.6mpa
环境温度:-10-60℃
配管口径:M5
行程允许偏差:+1.00mm
常见故障:
气缸出现内、外泄漏,一般是因活塞杆安装偏心,润滑油供应不足
,密封圈和密封环磨损或损坏,气缸内有杂质及活塞杆有伤痕等造
以保证执行元件润滑良好;当密封圈和密封环出现磨损或损环时,须
及时更换;若气缸内存在杂质,应及时清除;活塞杆上有伤痕时,应换
成的。所以,当气缸出现内、外泄漏时,应重新调整活塞杆的中心
,以保证活塞杆与缸筒的同轴度;须经常检查油雾器工作是否可靠,
新。
型号:
F4000-W-BOWL-F
CHB-X1-15-E-DC24V
SVB1V-25A-02G-DC24V
SVB1V-15A-02G-DC24V
ADK11-25A-02E-DC24V
STS-BG3-20-50-T2YLV3-D
STS-B-8-20
STS-B-8-20-T2H-D
STS-B-12-10-T2H-D-E
STS-B-12-15
STG-M-40-25-T2V-D-W1
STG-B-20-40-T3H-D-W1
SSD2-CB2-16
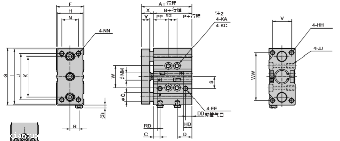
尺寸图:


SSD2-CB2-20
SSD2-CB2-25
SSD2-CB2-32
SSD2-CB2-40
SSD2-CB-25
AB41-03-5-02H-DC24V
AB31-01-2-E3A-DC24V
4F330-10-DC24V
4JA219-06-E2-3
EV2500-008-C13B4-FL328446
PPX-R01N-6M-KA/P
SSD2-CB2-50
SSD2-CB2-80
SSD2-CB-80
SSD2-D-25-50-N
SSD2-D-32-30-N
SSD2-G4L-40-50
SSD2-G4L-40-50-N
SSD2-G4L-40-50-T2YD3-D
AVB217-16K-1-CT3span-H
APK21-4A-COIL-AC220V
FAB41-10-5-12CS-2
FSM2-NAF500-H081
MRL2-10-250
CVSE2-25A-05-02HS-3-ST
AP11-10A-C2E-AC220V
STG-B-20-75-T3H-D-W1
STG-B-25-75-T3H-D-W1
STG-M-32-25
STG-M-40-25
STG-M-40-200
STG-B-25-50
STG-B-16-10-TOspan-D
STG-B-12-75-TOspan-D
STG-M-25-30-T0span-D-W1
LCR-6-10-F2H-D-S5
LCR-16-20-S5
AP11-15A-02GS-DC24V
AB41-02-6-02H-DC24V
原装CKD带导承气缸STS-B-40-20的重要资料