电 话:028-86751041-8004
联系人:王倩
手 机:15308020014
地 址: 中国 上海 嘉定区嘉涌路99弄6号713

更新时间:2024-12-16 浏览数:36
所属行业:机械设备> 阀门> 执行器
发货地址:
产品规格:--
产品数量:1
包装说明:--
单 价:面议
日本CKD带制动拉杆型气缸JSG-TA-63B-450-Y
企业QQ:2880626087
手机:
电话: -8004
传真: -8007
邮箱: @163.com
联系人:王倩
产品特点:
环境的产品
磁环是标准装备
省空间化
搭载小型开关
与原先的气缸相比较,平均升量下降17%。
搭载比原先型号的小的T型开关。 安装时废除了开关的拉拔,实现
了省空间 化。
在气缸本体和气缸开关中,排除了铅和6阶铬等对 地球环境有不好
影响的物质。是能够对应于欧洲 RToHS指令的商品。
所有的产品中能够追加开关的安装。
气缸的全长比原来的JSC3要短,设置 的空间也相应缩小。
白色系统统一
产品的表面颜色是统一的白色,容易 为各种系统作出标志。
JSG系列产品体系
机种类别
标准型
带制动解除阀
采用新方式的开关安装
具有独特形状的开关夹具,使开关的固定变得极 其简单,平稳。
开关安装简单 依靠拉杆夹入机构不需 要制成开关本体就能调 整开
关的位置。
实物图:

常见故障:
气缸的输出力不足和动作不平稳,一般是因活塞或活塞杆被卡住、
此,应调整活塞杆的中心;检查油雾器的工作是否可靠;供气管路是否
润滑不良、供气量不足,或缸内有冷凝水和杂质等原因造成的。对
被堵塞。当气缸内存有冷凝水和杂质时,应及时清除。
局部补焊的方法:
由于汽缸结合面被蒸汽冲刷或腐蚀出沟痕,选用适当的焊条把沟痕
添平,用平板或平尺研出痕迹,研刮焊道和结合面在同一平面内。
汽缸至150℃,然后在室温下进行分段退焊或跳焊。选用奥氏体焊条
,如A407、A412,焊后用石棉布覆盖保温缓冷。待冷却室温后进行
汽缸结合面变形较大或是漏汽严重时,在下缸的结合面补焊一条或
两条10-20mm宽的密消除间隙封带,然后用平尺或是扣上缸测量,
并涂红丹研刮,直到消除间隙。此操作的工艺也很简单,焊前预热
打磨修刮。
型号:
GWT8-0
AG31-02-1-AC220V
ADK11-20A-02C-AC220V
4F520-15-AC220V
CMK2-00-20-50
AB31-02-6-F2G-AC220V
AG43-02-5-02E-AC220V
CHB-20
PPG-C-PP-6B1/KT
MSTG-M-20-125
LCR-12-20-F2H-D-S5
SSD2-I2-20
SSD2-I2-25
SSD2-I2-32
SSD2-I2-50
SSD2-I2-80
SSD2-I-32
SSD2-I-40
SSD2-I-50
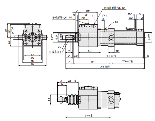
尺寸图:


SSD2-I-80
SSD2-K-100K
SSD2-K-12-40
SSD2-K-12-40-N
SSD2-K-12-50
SSD2-K-12-50-N
LCR-6-50-F2H-D-S5
LCR-12-10-F2H-D-S2
LCR-16-10-T2H-D-S5
LCR-6-10-F2S-D
LCR-12-100-F3H-D
STR2-B-10-10-K2H-D
SRL3-00-32B-1200
SRL3-00-50B-800-A
SSD2-K-25K
SSD2-K-32-100-N
SSD2-K-32K
SSD2-K-40-100
SSD2-K-40-100-N
SSD2-K-40-60
SSD2-K-40-60-N
SRL3-00-50B-1200-T3YH-D-A1
MSTG-M-25-20
MSTG-M-25-30
MSTG-M-16-15
MSTG-M-20-100
SCPG2-00-16-25
STR2-M-16-30
STR2-M-10-50
日本CKD带制动拉杆型气缸JSG-TA-63B-450-Y