电 话:028-86751041-8004
联系人:王倩
手 机:15308020014
地 址: 中国 上海 嘉定区嘉涌路99弄6号713

更新时间:2024-12-16 浏览数:53
所属行业:机械设备> 阀门> 执行器
发货地址:
产品规格:--
产品数量:1
包装说明:--
单 价:面议
持久耐用型CKD带导向气缸STG-M-80-25-T0span-D
企业QQ:2880626087
手机:
电话: -8004
传真: -8007
邮箱: @163.com
联系人:王倩
实物图:

简介:
一种带导向气缸,即使在润滑剂流出时也避免产生烧结,同时避免
导向部件腐蚀。将活塞杆(16)插入构成带导向气缸(10) 的气缸筒(12)
1导杆(22)通过第1衬套(82a) 和第2衬套(84a)的各通孔,另一方面,
第2导杆(24)通过第3衬套(82b)和第4衬套(84b)的各个通孔。在第1导
的中央内孔(14)内,分别将由连接板(26)而与活塞杆(16)相连的第1
导杆(22)和第2导杆(24)插入到第1侧内孔(18)和第2侧内孔(20)内。第
杆(22)和第2 导杆(24)的侧周壁、第1衬套(82a)~第4衬套(84b)的内
周壁上分别涂布被膜(86、88)。
密封圈:
回转或往复运动处的部件密封称为动密封,静止件部分的密封称为
静密封。
缸筒与端盖的连接方法主要有以下几种:
整体型、铆接型、螺纹联接型、法兰型、拉杆型。
气缸工作时要靠压缩空气中的油雾对活塞进行润滑。也有小部分免
润滑气缸。
规格:

型号:
M4KB210-08-6-AC220V/Z
4F630-20-DC24V/Z
AB41-03-3-AC220/Z
4F520-15-AC220V/Z
SSD2-KL-40-90-N
SSD2-KL-40C-100
SSD2-KL-40C-75
SSD2-KL-50-100
SSD2-KL-50-100-N
SSD2-KL-50-50-N
SSD2-KL-50-60
SSD2-KL-50-60-N
SSD2-KL-50-70
SSD2-KL-50-70-N
SSD2-KL-50-75-N
SSD2-KL-50-80
SSD2-KL-50-80-N
SSD2-KL-50-90
SSD2-KL-50-90-N
SSD2-KL-63-100-N
AP11-15A-03A-AC220V/Z
AB31-02-6-C2G-AC220V/Z
CMK2-CC-20-25-T0H-R/Z
SSD2-12-10-W1
SSD2-L-32D-45-T0H-R-W1
SSD2-L-32D-35-T0H-R-N-W1
HVB112-6N-5-AC100V
HVB41-8N-5-AC100V
HVB51-12F-5-AC100V
HVB112-6N-5-AC200V
2304-12C
JSC3-FA-63B-315/Z
4F210-08-DC24V/Z
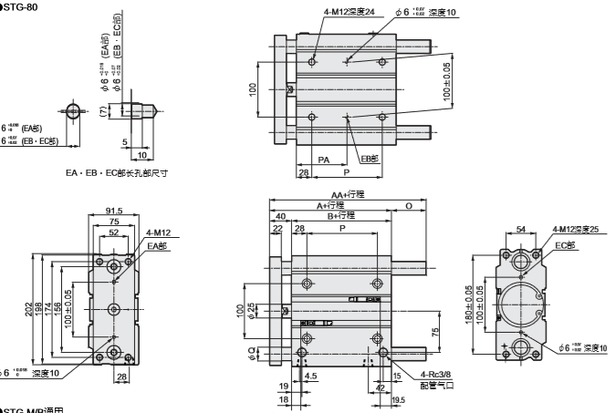
尺寸图:

AB31-02-6-F2G-AC220V/Z
AB41-02-6-F2E-AC220V/Z
SSD2-KL-80-60
SSD2-KL-80-60-N
SSD2-KL-80-70
SSD2-KL-80-70-N
SSD2-KL-80-80
SSD2-KL-80-80-N
SSD2-KL-80-90
SSD2-KL-80-90-N
SSD2-L-12-10
SSD2-L-12-10-N
SSD2-L-12-15
4F710-25-AC220V/Z
AD11-15A-02G-AC220V/Z
AD11-20A-02G-AC220V/Z
GWS8-8
FCD-50K
ADK11-15A-02C-AC220V
HVB41-8N-5-AC100V
SC1-10
持久耐用型CKD带导向气缸STG-M-80-25-T0span-D