电 话:021-39526589-8004
联系人:覃小敏
手 机:19117262520
地 址: 中国 上海 嘉定区嘉涌路99弄6号713

更新时间:2022-11-18 浏览数:72
所属行业:机械设备> 阀门> 执行器
发货地址:
产品规格:--
产品数量:1
包装说明:--
单 价:面议
进口意大利康茂盛CST-262磁性接近传感器的选用方法
企业QQ:2880626087
手机:
电话: -8004
传真: -8007
邮箱: @163.com
联系人:王倩
简介:
磁性接近开关是接近开关的一种,磁性接近开关是传感器家族中众多
种类中的一个,它是利用电磁工作原理,用的工艺制成的,是一
通过很多非磁性物,所以此触发过程并不一定需要把目标物体直接靠
近磁性接近开关的感应面,而是通过磁性导体(如铁)把磁场传送至远
量或电磁量转化为所希望的电信号,从而达到控制或测量的目的。
磁性接近开关能以细小的开关体积达到大的检测距离。它能检测磁
种位置传感器。它能通过传感器与物体之间的位置关系变化,将非电
性物体(一般为磁铁),然后产生触发开关信号输出。 由于磁场能
距离,例如,信号能够通过高温的地方传送到磁性接近开关而产生触
发动作号。
实物图:

接近开关:
当观察者或系统对波源的距离发生改变时,接近到的波的频率会发生
偏移,这种现象称为多普勒效应。声纳和雷达就是利用这个效应的原
。当有物体移近时,接近开关接收到的反射信号会产生多普勒频移,
理制成的。利用多普勒效应可制成超声波接近开关、微波接近开关等
由此可以识别出有无物体接近。
型号:
31R2A016A140
31R2A016A150
31R2A016A160
31R2A016A180
31R2A016A200
31F1A020A005
31F2A020A005
31F2A020A005V
31F2A020A005W
31F3A020A005
31F1A020A025
31F2A020A025
31F3A020A025
31F4A020A025
31F2A020A030
31F2A020A030(20)
31F3A020A030
31F2A020A032
31F2A020A035
31R2A016A040
31R3A016A040
31R2A016A045
31R2A016A050
31R3A016A050
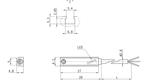
尺寸图:

31R2A016A055
31R2A016A060
31R2A016A070
31R2A016A075
31R3A016A075
31F2A020A010W
31F3A020A010
31F4A020A010
31F3A020A012
31F1A020A015
31F2A020A015
31F2A020A015V
31F3A020A015
31F4A020A015
31R2A016A080
31R3A016A080
31R2A016A100
31R2A016A120
31R2A016A130
31F2A020A040
31F3A020A040
31F2A020A045
31F2A020A050
31F3A020A050
31F4A020A005
31F1A020A010
31F2A020A010
31F1A020A020
31F2A020A020
31F2A020A020W
31F3A020A020
31F4A020A020
进口意大利康茂盛CST-262磁性接近传感器的选用方法