电 话:021-39526589-8004
联系人:覃小敏
手 机:19117262520
地 址: 中国 上海 嘉定区嘉涌路99弄6号713

更新时间:2022-11-18 浏览数:40
所属行业:机械设备> 阀门> 执行器
发货地址:
产品规格:--
产品数量:1
包装说明:--
单 价:面议
意大利康茂盛CSC-H-220磁性传感器的注意事项
企业QQ:2880626087
手机:
电话: -8004
传真: -8007
邮箱: @163.com
联系人:王倩
实物图:

特点:
高灵敏度。被检测信号的强度越来越弱,这就需要磁性传感器灵敏度
得到极大提高。应用方面包括电流传感器、角度传感器、齿轮传感器
、太空环境测量。
温度稳定性。更多的应用领域要求传感器的工作环境越来越严酷,这
就要求磁传感器必须具有很好的温度稳定性,行业应用包括汽车电子
行业。
抗干扰性。很多领域里传感器的使用环境没有任何屏蔽,就要求传感
器本身具有很好的抗干扰性。包括汽车电子、水表等等。
小型化、集成化、智能。要想做到以上需求,这就需要芯片级的集成
,模块级集成,产品级集成。
产品信息:
簧片传感器触点类型 常开(NO),常闭(NC) 常开(NO
电压 查看单个模型功能 查看单个模型功能
大电流 查看单个模型功能 查看单个模型功能
大负载 8 W DC和10 VA AC(簧片)6 W DC(磁阻 - 霍尔效应
- 霍尔效应)
电气连接 采用2线电缆,2 x 0.14,2米(标准),高灵活性; 采用3线
电缆,3 x 0.14,2米(标准),高灵活性; 带M8连接器和0.3米电缆 2
8 W DC和10 VA AC 6 W DC(磁阻)
保护程度 IP67 IP66
物料 塑料体淹没在环氧树脂中; PVC电缆,PVR连接器,PU连
接器主体 塑料体淹没在环氧树脂中
定影 直接在采石场或适配器 直接在采石场
工作温度 -10°C至80°C -10°C至60°C
电动生活 10,000,000次循环(簧片)1,000,000,000次循环((磁阻
线电缆,2 x 0.14,2米(标准),高灵活性(仅限CSB,CSC); 3线电
信令 通过黄色LED二极管 由红色LED
保护 查看单个模型功能 查看单个模型功能
切换时间 <1.8 ms(簧片)<1 ms(磁阻 - 霍尔效应) <1毫秒
缆,3 x 0.14,2米(标准),高灵活性(仅限CSD); 带M8连接器和
0.3米电缆(仅限CSD)
型号:
31F3A020A150
31F2A020A160
31F2A020A170
31F2A020A200
31M2A020A015
31M2A020A015W
31M3A020A015
31M3A020A020
31M4A020A020
31M1A020A025
31M2A020A025
31M2A020A025EX
31M3A020A025
31F2A020A080
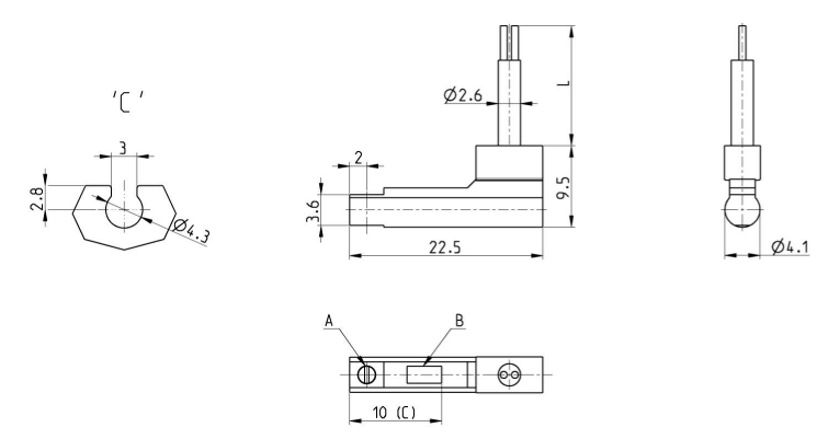
尺寸图:

31F2A020A085
31F2A020A090
31F2A020A100
31F2A020A100W
31F2A020A110
31F2A020A120
31F2A020A125
31F2A020A130
31F3A020A130
31F2A020A150
31M4A020A015
31M1A020A020
31M2A020A020
31M2A020A020W
31F2A020A235
31F2A020A335
31M1A020A005
31M2A020A005
31M3A020A005
31M2A020A008
31M1A020A010
31M1A020A010EX
31M2A020A010
31M3A020A010
31M4A020A010
31M1A020A012
31M1A020A015
意大利康茂盛CSC-H-220磁性传感器的注意事项