电 话:021-39526589-8004
联系人:覃小敏
手 机:19117262520
地 址: 中国 上海 嘉定区嘉涌路99弄6号713

更新时间:2022-11-18 浏览数:71
所属行业:机械设备> 阀门> 执行器
发货地址:
产品规格:--
产品数量:1
包装说明:--
单 价:面议
意大利康茂盛PL000-306-PL23电磁阀的结构示意图
企业QQ:2880626087
手机:
电话: -8004
传真: -8007
邮箱: @163.com
联系人:王倩
实物图:

技术规格:
功能操作气动连接标称直径标称流量系数kv(l / min)工作压力工作
(空气@ 6巴AP 1巴)0:54 0÷3.5或4÷8巴0°?50℃下过滤空气类底
度大32 cSt),惰性气体ON <10毫秒 - 关闭<15毫秒未在任何位
置提供
与流体接触的材料
车身密封件内部零件 PBT FKM高科技聚合体,NBR不锈钢,NBR
基层ISO 15218接口上3/2 NC直接提升5.4.4根据ISO 8573-1(油粘
电气规格
电压电压容差吸收功率连续工作电气连接防护等级 24 V DC -
温度流体响应时间手动操作安装 借助于螺钉1.5毫米35标准升/分钟
12 V DC - 可根据要求提供其他电压±10%2.7 W ED 100%工业标准
连接器(9.4 mm)IP65带连接器
简介:
电磁阀(Electromagnetic valve)是用电磁控制的工业设备,是用来控
制流体的自动化基础元件,属于执行器,并不限于液压、气动。用在
够保证。电磁阀有很多种,不同的电磁阀在控制系统的不同位置发挥
工业控制系统中调整介质的方向、流量、速度和其他的参数。电磁阀
可以配合不同的电路来实现预期的控制,而控制的精度和灵活性都能
作用,常用的是单向阀、安全阀、方向控制阀、速度调节阀等。
型号:
31M2A020A30/60N
31M2A020A30/80N
31M2A020A35/65/85N
31M2A020A40/100N
31M2A020A40/90N
31M2A020A50/100N
31R3A020A020
31R2A020A025
31R2A020A030
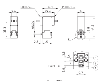
尺寸图:

31R3A020A030
31R2A020A035
31R2A020A040
31R3A020A040
31R2A020A050
31R2A020A050W
31R3A020A050
31R2A020A055
31R2A020A060
31M2A020A050N2
31M2A020A050N3
31M2A020A050N4
31M2A020A60/80N
31M2A020A60/120N
31M2A020A66/150N
31M2A020A100N2
31M2A020A200N2
31R2A020A005
31R2A020A005V
31M2A020A10/20N
31M2A020A010N2
31M2A020A15/30N
31M2A020A15/30/45N
31M2A020A20/30N
31M2A020A25/50
31M2A020A25/30N
31M2A020A025N2
31R2A020A010
31R2A020A010W
31R3A020A010
31R2A020A015
31R3A020A015
31R2A020A020
31R2A020A020W(75)
31R2A020A020W
意大利康茂盛PL000-306-PL23电磁阀的结构示意图