电 话:021-39526589-8004
联系人:覃小敏
手 机:19117262520
地 址: 中国 上海 嘉定区嘉涌路99弄6号713

更新时间:2022-11-18 浏览数:66
所属行业:机械设备> 阀门> 执行器
发货地址:
产品规格:--
产品数量:1
包装说明:--
单 价:面议
意大利康茂盛PD000-2E2-R52电磁阀的工作流程图
企业QQ:2880626087
手机:
电话: -8004
传真: -8007
邮箱: @163.com
联系人:王倩
实物图:

技术数据:
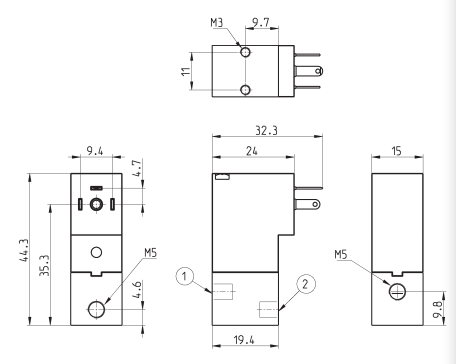
安装 2/2 NC上通过螺钉M3的装置的子基座直接螺栓 - M5螺纹
1.93 -0.9÷4巴0 ... 12°?符合ISO 8573-1标准的50°C过滤空气等级
5.4.4(油粘度大32 cSt),任何位置的惰性气体<15 ms
与流体接触的材料
车身密封件内部零件 黄铜,阳极氧化铝NBR,(根据要求FKM)不
12 V DC - 对请求1和其他电压2 W±10% - 4瓦±5%1 ... 4瓦特ED
锈钢
电压电压容差吸收功率连续工作电气连接防护等级 DC 24 V -
0.8 ...2.5毫米25 ... 125标准升/分钟(空气@ 6巴AP 1巴)0:39 ...
100%(1和2 W) - ED 50%(4W)见图形定义ED工业标准连接器
安全性:
腐蚀性介质:宜选用塑料王电磁阀和全不锈钢;对于强腐蚀的介 质必
须选用隔离膜片式。中性介质,也宜选用铜合金为阀壳材料的电磁阀
,否则,阀壳中常有锈屑脱落,尤其是动作不频繁的场合。氨用阀则
不能采用铜材。
爆炸性环境:必须选用相应防爆等级产品,露天安装或粉尘多场合应
选用防水,防尘品种。
电磁阀公称压力应超过管内高工作压力
型号:
31F2A025A010V
31F2A025A010W
31F3A025A010
31F4A025A010
31F1A025A013(2)
31F1A025A015
31F2A025A015
31F2A025A040
31F2A025A040W
31F3A025A040
31F3A025A040V
31F2A025A045
31F2A025A050
31F2A025A050EX
尺寸图:

31F3A025A050
31F2A025A060
31F3A025A060
31F2A025A065
31F2A025A070
31F2A025A075
31F2A025A080
31F2A025A080W
31F3A025A080
31R2A020A130
31R2A020A140
31R2A020A145
31R2A020A150
31R2A020A180
31R2A020A200
31F1A025A005
31F2A025A005
31F3A025A005
31F4A025A005
31F1A025A010
31F2A025A010
31F2A025A010(10)
31F2A025A015EX
31F3A025A015
31F4A025A015
31F4A025A016
31F1A025A020
31F2A025A020
31F3A025A020
31F4A025A020
31F1A025A025
31F2A025A025
31F2A025A025V
31F2A025A025W
31F3A025A025
31F4A025A025
31F2A025A030
31F2A025A030V
31F3A025A030
31F2A025A035
意大利康茂盛PD000-2E2-R52电磁阀的工作流程图