电 话:028-86751041-8004
联系人:王倩
手 机:15308020014
地 址: 中国 上海 嘉定区嘉涌路99弄6号713

更新时间:2024-12-16 浏览数:62
所属行业:机械设备> 阀门> 执行器
发货地址:
产品规格:--
产品数量:1
包装说明:--
单 价:面议
诚信经营CKD喜开理GAB312-1-0-AC110V电磁阀

简介:
二位三通电磁阀为双线圈控制,一个线圈瞬间通电后关闭电源、阀打
用于冶金、石化、制药、烟草、食品医疗、城建环保、给排水、采暖
开,另一个线圈瞬间通电后关闭电源、阀关闭。可以长时间保持关闭
或打开状态,能使线圈寿命更长。在高温管道中使用佳。它广泛应
空调、消防安全、科研、节能产业等各个领域。
实物图:

型技巧:
电磁阀的选型方法可以有很多,但都是基于电磁阀的工作条件和环境
货时一定要区分开来。
流体粘度:通常在50cSt以下可任意选择,若超过此值,则要选用高
以及客户的要求。电磁阀分类方式较多,例如根据工作原理来分类,
根据介质属性来分类,根据环境工作条件来分类,以及根据电磁阀材
用食品级不锈钢材质电磁阀。
高温流体:要选择采用耐高温的电工材料和密封材料制造的电磁阀,
质等分类。不同类型的电磁阀选型都有不同的方法和技巧,今天电磁
阀商乾球自动化小编就和大家说说不同类型电磁阀选型技巧。
耐腐蚀电磁阀根据流体参数选择电磁阀的:材质、温度组
腐蚀性流体:宜选用耐腐蚀电磁阀和全不锈钢;食用超净流体:宜选
而且要选择活塞式结构类型的。
流体状态:大至有气态,液态或混合状态,特别是口径大于DN25订
粘度电磁阀。
型号:
R3000-8-W-X1-BW
SCA2-00-63B-100
SCA2-CB-100B-600-Y/Z
SCA2-FA-63B-620-TOH5-D-Y/Z
SCA2-FB-63B-195-T0H5-D
SCA2-FB-63B-50
STS-M-50-50
VSP-A4RU-4T
SSD2-80-20
SSD2-L-20-40-T0span-D-N
STG-M-16-40
4F310E-10-TP-X-DC24V
CVSE3-40A-35-02G-2
J718-701-AS-50NN
4F310E-08-TP-P-X-AC220V
4GD119-C4-E2C-3
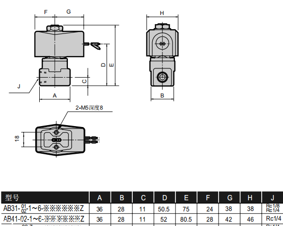
AB41-02-6-02E-DC24V
AB41-03-4-E2E-AC200V
APK11-25A-N4H-AC220V
EV2500-008-C13E2B
LCR-6-10-F2H-D
R3000-8-W-BW
3PA210-06-LSP-AC24V
4F530-15-AC220V
4F710-25-M3LP-AC200V
尺寸图:

4KA130-GS4-L-DC24V
4KA210-GS8-DC24V
AB31-02-3-B-AC220V
AB41-02-5-02E-DC24V
AB41-02-7-AC100V
AB41-03-5-B-AC220V
AD11-10G-03A-DC24V
AB41-03-7-E-AC24V
4F730-25-AC220V
AG43-02-4-AC220V/Z
CHB-25
CHB-32
CVSE3-10A-70-B3RSB-1
F8000-20-W-F
H2VC-08
AD11-15A-03AA-DC24V
AD12-25A-L3A-AC220V
AD21-32F-02E-DC24V
AG43-02-4-02E-DC24V
JSC3-LB-63B-1000
CHV2-6-A
USB3-6-1-W-DC24V
B2019-2C-GBMS-00-SE1
B2019-2C-PMS-00-TG
B2019-2C-PGMS-01-RL
B6061-2C广MS-40-SE2
BHA-03CS1MSDG-L-6-30
BHA-04CS1MSDG-L-8-5
C3000-10-GS15-TC-FL368782MXB1-15-E-2
SW-R23
4F410-10-AC220V
诚信经营CKD喜开理GAB312-1-0-AC110V电磁阀