电 话:028-86751041-8004
联系人:王倩
手 机:15308020014
地 址: 中国 上海 嘉定区嘉涌路99弄6号713

更新时间:2024-12-16 浏览数:53
所属行业:机械设备> 阀门> 电磁阀
发货地址:
产品规格:--
产品数量:1
包装说明:--
单 价:面议
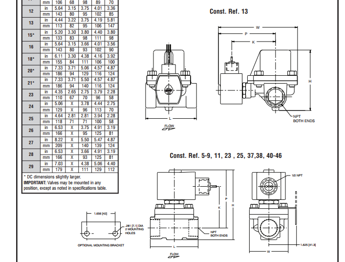
技术指导SCE210A015 24/5先导式电磁阀/阿斯卡ASCO

特征
?广泛的压力等级,尺寸和弹性
材料使用寿命长,使用寿命低
内部泄漏
?高流量阀,适用于液体,腐蚀性和空气/惰性
燃气服务
?可用于安全饮用的无铅版本
水法合规
?工业应用包括:
- 洗车 - 洗衣设备
- 空气压缩机 - 工业用水控制
- 泵

标称环境温度。范围
RedHat II / RedHat AC:32?F至125?F(0?C至52?C)
RedHat II DC:32?F至104?F(0?C至40?C)
RedHat DC:32?F至77?F(0?C至25?C)
(偶尔104?F/40?C)
8210G227 AC:32?F至130?F(0?C至54?C)
DC:32?F至90?F(0?C至32?C)
认证
UL列出如所示。 CSA认证。
RedHat II符合适用的CE指令。

技术指导SCE210A015 24/5先导式电磁阀/阿斯卡ASCO