电 话:021-39526589-8004
联系人:覃小敏
手 机:19117262520
地 址: 中国 上海 嘉定区嘉涌路99弄6号713

更新时间:2026-05-11 浏览数:69
所属行业:机械设备> 阀门> 执行器
发货地址:
产品规格:--
产品数量:1
包装说明:--
单 价:面议
进口堡盟MTRM 16G2524/M200霍尔传感器应用特点

产品详情:
传感器类型
差分霍尔传感器
16毫米
住房长度
93毫米
安装援助
针孔
连接类型
电缆Radox,2米
大工作距离
2毫米(模块2)
分钟 齿轮尺寸
大电流消耗 (无负载)
20毫安
输出A.
拔河
输出B.
拔河
输出电流
<30毫安
电压降Vd
<5 VDC
模块2
齿轮宽度
> 10毫米
齿轮材料
铁磁
实物图:

工作原理:
霍尔电压随磁场强度的变化而变化,磁场越强,电压越高,磁场越弱,
电压越低,霍尔电压值很小,通常只有几个毫伏,但经集成电路中的放
霍尔集成电路的输出电压的变化,就能表示出叶轮驱动轴的某一位置,
利用这一工作原理,可将霍尔集成电路片用作用点火正时传感器。霍尔
大器放大,就能使该电压放大到足以输出较强的信号。若使霍尔集成电
尔集成电路之间的气隙中时,磁场偏离集成片,霍尔电压消失。这样,
效应传感器属于被动型传感器,它要有外加电源才能工作,这一特点使
路起传感作用,需要用机械的方法来改变磁感应强度。下图所示的方法
是用一个转动的叶轮作为控制磁通量的开关,当叶轮叶片处于磁铁和霍
它能检测转速低的运转情况。
型号:
DRC 100/811.133/0...6 BAR/0752/1621
DRC 100/811.133/0...6 BAR/0794/9711
DRC 100/811.133/0...6 BAR/1033
DRC 100/811.133/0...6 BAR/1033/1310
DRC 100/811.133/0...6 BAR/1081
DRC 100/811.133/0..10 BAR/1033
DRC 100/811.133/0..10 BAR/1033/1310
DRC 100/811.133/0..10 BAR/1081
DRC 100/811.133/0..10 BAR/1091
DRC 100/811.133/0..10 BAR/1093
DRC 100/811.133/0..10 BAR/1103
DRC 100/811.133/0..10 BAR/1105
DRC 100/811.133/0..10 BAR/1107
DRC 100/811.133/0..10 BAR/1502
DRC 100/811.133/0..100BAR/0060
DRC 100/811.133/0..16 BAR/0059
DRC 100/811.133/0..16 BAR/0060/1017
DRC 100/811.133/0..16 BAR/1033
DRC 100/811.133/0..16 BAR/1521
DRC 100/811.133/0..16 BAR/1523/1311
DRC 100/811.133/0..1600 KP/1658
DRC 100/811.133/0...6 BAR/1091
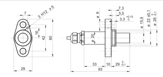
尺寸图:

DRC 100/811.133/0...6 BAR/1103
DRC 100/811.133/0...4 BAR/1081
DRC 100/811.133/0...4 BAR/1091
DRC 100/811.133/0...4 BAR/1093/1310
DRC 100/811.133/0...4 BAR/1475/1370/1360
DRC 100/811.133/0...400 BAR/0002
DRC 100/811.133/0...400 BAR/1005/1315
DRC 100/811.133/0...6 BAR
DRC 100/811.133/0...6 BAR/0051
DRC 100/811.133/0...6 BAR/0053
DRC 100/811.133/0...6 BAR/0053/1091/1312
DRC 100/811.133/0...6 BAR/0059/1033/0344
DRC 100/811.133/0...6 BAR/0677/1545/1310
DRC 100/811.133/0...6 BAR/1105
DRC 100/811.133/0...6 BAR/1653
DRC 100/811.133/0...6 BAR/1708/0400/80°C
DRC 100/811.133/0...60 BAR
DRC 100/811.133/0...60 BAR/0053
DRC 100/811.133/0...60 BAR/1085
DRC 100/811.133/0...60 BAR/1091
DRC 100/811.133/0...6BAR/9704 D G1/2
DRC 100/811.133/0..1,0 BAR/1105
DRC 100/811.133/0..1,6 BAR/1045
DRC 100/811.133/0..10 BAR
DRC 100/811.133/0..10 BAR/0060
DRC 100/811.133/0..10 BAR/0062
DRC 100/811.133/0..10 BAR/0201/1081
进口堡盟MTRM 16G2524/M200霍尔传感器应用特点