电 话:021-39526589-8004
联系人:覃小敏
手 机:19117262520
地 址: 中国 上海 嘉定区嘉涌路99弄6号713

更新时间:2026-05-11 浏览数:60
所属行业:机械设备> 阀门> 执行器
发货地址:
产品规格:--
产品数量:1
包装说明:--
单 价:面议
持久耐用型堡盟POG 86 + FSL系列增量编码器

特征:
基于离心力原理的机械式超速开关
坚固、紧凑的外壳
大间距的双轴承,两端式设计
高达350 N的轴负载
TTL输出驱动器用于电缆长度达550m
端子盒,转180°
简介:
增量型编码器是能够根据旋转运动产生信号的编码器,其刻度方式为每
一个脉冲都进行增量计算,因此得名。它常和机械转换装置一起使用(
如齿条-齿轮、测量轮或心轴一起使用),用于测量直线运动。
实物图:

技术数据:
消耗w / o负载
≤100mA
每转脉冲
500 ... 5000
相移
90°±20°
工作周期
45 ... 55%(每转40 ... 60%> 3072个脉冲)
切换偏差
≤3%(cw-ccw旋转)
切换滞后
切换速度的40%
切换输出
Flange
EURO 法兰 B10
Protection DIN EN 60529
IP 56
Rotor moment of inertia
220 gcm2
Material
外壳: 铝制, 带涂层
轴: 不锈钢
Operating temperature
-30...+100 °C
-25...+100 °C (>每圈3072个脉冲)
1输出,速度控制
输出切换容量
≤6A/ 230 VAC
参考信号
零脉冲,宽度90°
输出频率
≤120kHz
≤300kHz(根据要求)
输出信号
K1,K2,K0 +倒置
错误输出(选项EMS)
应用:
增量编码器主要应用于数控机床及机械附件、机器人、自动装配机、自
步)、木工机械、塑料机械(定数)、橡塑机械、制图仪、测角仪、疗养器
动生产线、电梯、纺织机械、缝制机械、包装机械(定长)、印刷机械(同
雷达等。
型号:
DRC 100/811.133/-1..9 BAR/0677/1541/1310
DRC 100/811.133/-1..9 BAR/0677/1541/1310
DRC 100/811.133/-1..9 BAR/0677/1542/1310
DRC 100/811.133/-1..9 BAR/0677/1543/1310
DRC 100/811.133/-1..9 BAR/1091
DRC 100/811.133/-1..9 BAR/1091/1310
DRC 100/811.133/-1..9 BAR/1103
DRC 100/811.133/-1..9 BAR/1105
DRC 100/811.133/-1..9 BAR/1476
DRC 100/811.133/10 B/0156/0228/1091/1310
DRC 100/811.133/10 B/0156/1091/1310
DRC 100/811.133/10 B/0228/1081/1312
DRC 100/811.133/10 B/0677/1541
DRC 100/811.133/10 B/0677/1545/1311
DRC 100/811.133/10 B/0677/1545/1311/9007
DRC 100/811.133/10 B/0677/1547
DRC 100/811.133/10 B/0730/1091
DRC 100/811.133/10 B/0794/9711
DRC 100/811.133/10 B/1081/60'C
DRC 100/811.133/10 B/1091/1311
DRC 100/811.133/10 B/1091/1312
DRC 100/811.133/10 B/1097/1220
DRC 100/811.133/10 B/1103/1310
DRC 100/811.133/-1..9 BAR/1621
DRC 100/811.133/-1..9 BAR/1623
DRC 100/811.133/-1..9 BAR/9700
DRC 100/811.133/-1..9 BAR/9700/1093
DRC 100/811.133/-1..9B/0677/1547/1310/..
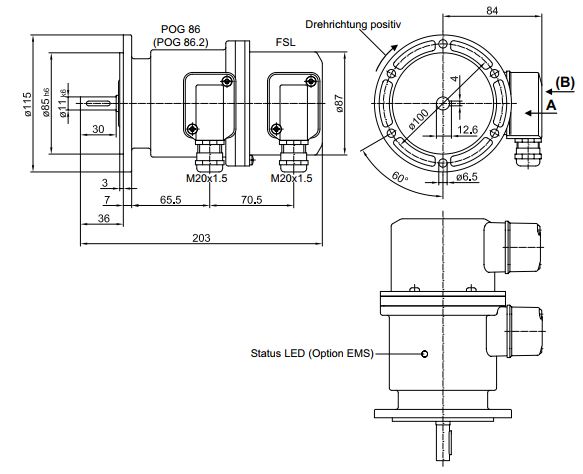
尺寸图:

DRC 100/811.133/-1..9B/0677/1547/1310/..
DRC 100/811.133/-1..9B/1033/1225
DRC 100/811.133/-1..9BAR/0677/1016/1359+
DRC 100/811.133/-1..5 BAR/1091
DRC 100/811.133/-1..5 BAR/1091
DRC 100/811.133/-1..5 BAR/1091/1312
DRC 100/811.133/-1..5 BAR/1107
DRC 100/811.133/-1..5 BAR/1623/1310
DRC 100/811.133/-1..5 BAR/1626/1310
DRC 100/811.133/-1..5 BAR/9700/1093
DRC 100/811.133/-1..5 BAR/9700/1093
DRC 100/811.133/-1..5 BAR/9700/1093/
DRC 100/811.133/-1..5 BAR/9710/1096/1310
DRC 100/811.133/-1..5B/0677/1545/1310/
DRC 100/811.133/-1..5B/1547/1310
DRC 100/811.133/-1..9 BAR/0051/1091/1310
DRC 100/811.133/-1..9BAR/0677/1096/1359+
DRC 100/811.133/-1.3B/0677/1547/1310/...
DRC 100/811.133/-1.5/0156/9700/1091/0400
DRC 100/811.133/-1+1,5BAR
DRC 100/811.133/10 B/0053/0765/0794
DRC 100/811.133/10 B/0156/0226/1091/1310
持久耐用型堡盟POG 86 + FSL系列增量编码器