电 话:028-86751041-8004
联系人:王倩
手 机:15308020014
地 址: 中国 上海 嘉定区嘉涌路99弄6号713

更新时间:2022-11-18 浏览数:46
所属行业:机械设备> 分离设备(机械、工业制品、行业设备)> 过滤器
发货地址:
产品规格:--
产品数量:1
包装说明:--
单 价:面议
油箱通气过滤器/威格士VICKERS中文使用方法

产品描述:
污染控制的一种关键元件是油箱通气过滤器。
油箱通气乃是来自液压系统周围环境的水和颗粒性污染的常见的根源。
油液污染可能:
增加元件磨损
引起腐蚀
降低油液性能和寿命
液压元件已经变得更加复杂并且在更高的压力、流量和温度下工作,使得油液
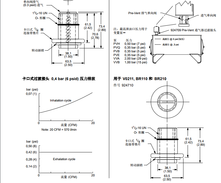
清洁度成为较长的元件寿命和系统可靠性的关键因素。Vickers 的油箱通气器使得较容易地达到较高的油液清洁度,并能延长系统中油液过滤器的寿命。
牢固的 ABS 塑料外壳能暴露于高达121 C (250 F) 的温度,并且耐腐蚀。
直观的机械指示器。该指示器在 1 psid(排气时)下触发。
易于设置。轻型设计仅需要用手拧紧。
滤材压降低减小了油箱和系统元件上的应力。
H2O-Gate 中的可逆流滤 材允许在过滤器再生其防潮气侵入能力时排出潮气。
电镀钢质芯子防止滤材变形。

运转或主要的重新运转
大系统 (2000 公升 (530 USgal) 或更多) 和带伺服阀的系统
起动前油液取样
天使用时油液取样
一周后油液取样
工作一个月后油液取样
其他系统
天使用时取样
工作一个月后取样
系统损坏时,应立即进行维护工作
(即温度过高,工作不非常,有杂音等)
立即
油箱通气过滤器/威格士VICKERS中文使用方法