电 话:028-86751041-8004
联系人:王倩
手 机:15308020014
地 址: 中国 上海 嘉定区嘉涌路99弄6号713

更新时间:2022-11-18 浏览数:47
所属行业:机械设备> 阀门> 执行器
发货地址:
产品规格:--
产品数量:1
包装说明:--
单 价:面议
AVENTICS安沃驰R432002813喷雾润滑器重要资料

产品详情:
组成部分 标准-喷雾润滑器
加油方式 运行时的半自动加油,手动加油
防护罩 带有保护杯
安装位置 垂直
工作压力范围 0,5 ... 16 bar
低 / 高环境温度 -10 ... 50 °C
气杯 聚碳酸酯
密封件材料 丙烯树胶
介质温度范围 -10 ... 50 °C
介质 压缩空气, 中性气体
外壳 聚酰胺
实物图:

简介:
油雾器是一种特殊的注油装置,它将润滑油进行雾化并注入空气流中,随
压缩空气流入需要润滑的部位,达到润滑的目的,但现在由于很多产品都
可以做到无油润滑,所以现在三联件油雾器的使用频率越来越低了,没有
油雾器的时候三联件变为两联件
型号:
5813222710
5813222720
5813223000
5813223100
5813291190
5813291430
5813291440
5813291450
5813291530
5813291540
5813291650
5813292190
5813292430
5813292440
5813292450
5813292530
5813292540
5813292650
5813293190
5813293430
5813220720
5813221000
5813221100
5813221200
5813221300
5813221400
5813221500
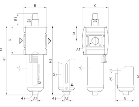
尺寸图:


5813221600
5813221710
5813221720
5813222000
5813222100
5813222200
5813222300
5813222400
5813222500
5813222600
5813293440
5813223200
5813223300
5813223400
5813223500
5813223600
5813223710
5813223720
5813230000
5813231000
5813240000
5813241000
5813280000
5813281000
5813290190
5813290430
5813290440
5813290450
5813290530
5813290540
5813290650
AVENTICS安沃驰R432002813喷雾润滑器重要资料