电 话:021-39526589-8004
联系人:覃小敏
手 机:19117262520
地 址: 中国 上海 嘉定区嘉涌路99弄6号713

更新时间:2022-11-18 浏览数:79
所属行业:机械设备> 过滤设备(机械、工业制品、行业设备)> 过滤器
发货地址:
产品规格:--
产品数量:1
包装说明:--
单 价:面议
意大利CAMOZZI过滤器技术参数,MC202-FB0
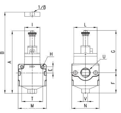
MC 系列聚结式过滤器是气动系统中
的一种精细过滤器,采用模块化设计,
组装成气源处理组合件及拆换、维修都
很便捷,接口有 G1/4、G3/8 和 G1/2 三
种。

G1/4 接口聚结式过滤器流量特性曲线
Δp = 出口侧的压力降
Q = 输出流量
图示流量特性曲线为聚结式过滤器工作在佳性能下所测得的
值。可在牺牲一定性能的前提下获得更大的流量。
G3/8 接口聚结式过滤器流量特性曲线
Δp = 出口侧的压力降
Q = 输出流量
图示流量特性曲线为聚结式过滤器工作在佳性能下所测得的
值。可在牺牲一定性能的前提下获得更大的流量
过滤器壳体及贮水杯为锌合金材
料,贮水杯外壳内镶嵌专用聚合物以提
高贮水杯的抗氧化能力,并采用平面倾
斜观察窗,可很方便地观察杯内贮水的
液位高度。
FA01 = 聚结式过滤器,外部排水
FA02 = 聚结式过滤器,半自动排水
FA03 = 聚结式过滤器,自动排水或降压排水
意大利CAMOZZI过滤器技术参数,MC202-FB0
