电 话:028-86751041-8004
联系人:王倩
手 机:15308020014
地 址: 中国 上海 嘉定区嘉涌路99弄6号713

更新时间:2024-12-16 浏览数:58
所属行业:机械设备> 涂装设备(机械、工业制品、行业设备)> 自动风门执行器
发货地址:
产品规格:--
产品数量:1
包装说明:--
单 价:面议
我司隆重推出日本CKD气动式电磁阀SAB1C-25A-E

性能要求:
换向性能
在规定的工作条件下,电磁阀通电后能否可靠地换向,断电后能否可靠地复位。
压力损失
电磁换向阀的压力损失由液流流过电磁换向阀的阀口时产生的流动损失和节流损失组成。
内泄露量
电磁换向阀的内泄露量是指在规定的工作条件下,处于各个不同工作位置时,从高压腔到低压腔的泄露量。
换向和复位时间
从电磁铁通电到阀芯换向终止所需要的时间,复位时间是指从电磁断电到阀芯回复到初始位置所需要的时间。
实物图:

工作性质:
电磁阀一般流通系数很小,而且工作压力差很小。比如一般25口径的电磁
比较容易被电压冲击损坏。相当于开关的作用,就是开和关2个作用。
电动阀的驱动一般是用电机,比较耐电压冲击。电磁阀是快开和快关的,
而电磁阀达不到这个要求。
电磁阀一般断电可以复位,电动阀要这样的功能需要加复位装置。
一般用在小流量和小压力,要求开关频率大的地方电动阀反之。电动阀阀
阀流通系数比15口径的电动球阀小很多。电磁阀的驱动是通过电磁线圈,
的开度可以控制,状态有开、关、半开半关,可以控制管道中介质的流量
常见故障:
电磁阀卡住:电磁阀的滑阀套与阀芯的配合间隙很小(小于0.008mm),一
方法可用钢丝从头部小孔捅入,使其弹回。根本的解决方法是要将电磁阀
拆下,取出阀芯及阀芯套,用CCI4清洗,使得阀芯在阀套内动作灵活。拆
般都是单件装配,当有机械杂质带入或润滑油太少时,很容易卡住。处理
卸时应注意各部件的装配顺序及外部接线位置,以便重新装配及接线正确
,还要检查油雾器喷油孔是否堵塞,润滑油是否足够。
型号:
4GB319-00-E02H-1
C3010-10
SC1-10
4GA310-08-E2-DC24V
AG31-02-1-AC200V
AG31-02-1-AC24V
AG31-02-1-02E-DC24V
SSD-L-32-50-T0V3-D
AB41-02-2-02E-DC24V
AB41-02-1-02E-DC24V
JSC3-LB-50B-300-R23-H
SC3W-M5-4
4KB129-00-AC100V
SSD-25-10
AB41-02-5-02E-AC200V
AB41-02-2-02E-AC200V
AB41-02-7-02E-AC200V
R4100-15-T8-B3G59P
R4000-15-T8-B3G59P
R3100-10-T8-B3G59P
R3000-10-T8-B3G59P
W4000-ELEMENT-Y
CMK2-00-20-10
4F320E-10-TP-AC200V
M4L380-10-6-AC220V
SCPD2-L-00-16-75
SCPD2-L-00-16-60
ADK11-10A-02C-AC200V
ADK11-15A-02C-AC200V
APV-40A-T-AC200V
APV-40A-T-AC100V
APV-25A-T-AC200V
JSC3-LN-TC-125B-600-R03-T-Y
CMK2-CC-40-250-T0span-D-N13M12*1.25
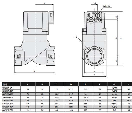
尺寸图:

CMK2-CC-25-25-T2H5-D-Y
CMK2-00-40-50-T2H-H
M1-NR-30
SCA2-LB-63R-1280-T2H-D
FJ-0-12-1.25
FJ-0-18
GWL8-6
PPD3-R01N-6B
R1000-8-B3
4GB110-06-E2-3
4GB210-08-E0-3
F4000-15
RP2000-10-08-G49PB
C3020-10-FR1
SW-T2span
CMK2-CC-40-50
4GA320-C8-E2-3
4GA310-C8-E2-3
3GA210-C8-E2-3
M4GB120-C6-E2-6-3
CMK2-CC-40-50-T3H-D
4KB140-06-AC100V
AB41-02-6-02E-AC220V
AB41-03-7-B3H-AC100V
SC3W-8-6
AP21-32A-03A-AC200V
AP11-25A-03A-AC200V
AD11-10A-2E-COIL-AC200V
SCPD2-OL-LS-16-125
SCA2-FB-50B-100
我司隆重推出日本CKD气动式电磁阀SAB1C-25A-E