电 话:021-39526589-8004
联系人:覃小敏
手 机:19117262520
地 址: 中国 上海 嘉定区嘉涌路99弄6号713

更新时间:2026-05-06 浏览数:48
所属行业:机械设备> 阀门> 执行器
发货地址:
产品规格:--
产品数量:1
包装说明:--
单 价:面议
wenglor威格勒I08H005电感式传感器文件及图纸

性能:
具有增加的开关距离的电感式传感器具有坚固的设计,易于安装和可靠的测量值。
大范围使得其他类型的传感器变得多余,因为它们也可用于实现特殊应用。除了
在非常小的空间内无误操作多个传感器之外,由于ASIC和wenglor weproTec,新
一代产品还可以在太晚之前检测系统错误。
实物图:

技术数据:
安装 红晕
以mm为单位安装A / B / C / D. 0/8/6/0
开关频率 1070赫兹
温度漂移 <10%
筑屋材料 镀CuZn,镀镍
防护等级 IP67
温度范围 -40 ... 80°C
切换输出电压降 <1 V
切换输出/切换电流 150毫安
安装B1毫米 0 ... 1
要求:
检测距离的衰减性。滑翘为铁质,适合电感式传感器检测;而滑翘被测部分
的尺寸略小于标准检测物尺寸(标准被测物尺寸为3倍额定检测距离,此应
用中,标准尺寸应为120*120mm),这样的话就会有一定的衰减。
现场抗干扰能力。这个是不容忽视的问题,普通电感式传感器容易被电机
或变频器干扰,很多技术人员只对在此附近的应用选择相应强抗电磁干扰
的传感器。但在汽车制造车间,厂房大,现场技术人员习惯使用对讲机沟
通,尤其是边走边用对讲机对话时,会不经意的靠近传感器,导致短暂失效。
型号:
FFAF030
FFAF031
FFAF032
FFAF033
FFAF034
ODX402P0099
ODX402P0088
ODX402P0008
ODX402P0007
ODX202P0107
FFAF022
FFAF023
FFAF024
FFAF025
FFAF026
FFAF027
FFAF028
FFAF029
ODX202P0008
ODX202P0007
051-101-102
051-101-201
081-132-202
081-154-202
113-232-202
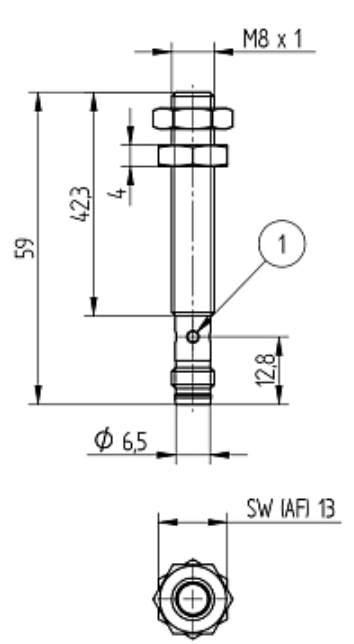
尺寸图:

FFAF035
FFAF036
FFAF037
FFAF038
FFAF040
081-207-202
081-254-202
083-101-102
083-101-202
083-135-202
083-235-102
111-106-201
111-232-102
111-232-202
111-255-202
113-154-202
113-207-202
113-232-102
FFAF041
FFAF042
FFAF043
FFAF044
FFAF045
FFAF046
wenglor威格勒I08H005电感式传感器文件及图纸