电 话:021-39526589-8004
联系人:覃小敏
手 机:19117262520
地 址: 中国 上海 嘉定区嘉涌路99弄6号713

更新时间:2026-05-06 浏览数:50
所属行业:机械设备> 阀门> 执行器
发货地址:
产品规格:--
产品数量:1
包装说明:--
单 价:面议
原装wenglor威格勒I08H032电感式传感器规格参数

技术参数:
切换距离 2.5毫米
校正因子不锈钢V2A / CuZn / Al 1,05 / 0,56 / 0,55
开关频率 750赫兹
温度漂移 <10%
温度范围 -40 ... 80°C
筑屋材料 镀CuZn,镀镍
防护等级 IP67
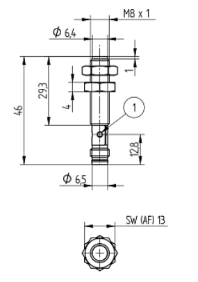
连接 M8×1; 3针
切换输出电压降 <1 V
切换输出/切换电流 150毫安
安装 半嵌入式
以mm为单位安装A / B / C / D. 8/8 / 7,5 / 3
实物图:

特性:
对于电感式传感器,大家都不会陌生,是用于近距离定位金属物体的通用
方式。因为主要是通过霍尔效应来完成检测,所以也称为霍尔传感器。其
发生交变磁场,对靠近的金属物体表面产生涡流效应,从而削弱LC震荡电
路,放大电路部分分析电磁铁芯接收线圈的微弱LC震荡电路变化,并给予
内部结构由两部分构成:前端由缠绕着发射、接收线圈的铁芯构成检测部分;
后端为电路部分,整体封装在塑料或金属外壳中。工作时,电磁铁芯部分
相应的输出。
型号:
403-270-104
363-273-104
363-271-104
FL3404
FL3402
FL3304
OPT89
L1FL66VB
L1FL66VD
LB66PC7
LB66PC7K
LD86PA3
OLM653C0102
OLWK503A0002
OLWK503A0091
RO88PB3
RO88PD3
XD100PA3
XD100PCV3
K1R87PCT2
KN55PA3
233-221-104
233-237-103
301-239-104
LM89PA2
LM89PCT2
LN40PA3
LN89PA3
LN89PDV3
LQ40PCT3
FL0904
FL0902
FL0804
FL0802
FL0704
FL0702
FL0604
301-251-102
301-251-104
尺寸图:

363-272-104
KN88PA3
KN88PDV3
KR87NCT2
KR87PCT2
OKI403C0103
OKI403C0203
FL3302
FL30/50
FL2104
FL2102
FL2004
FL2002
FL1004
FL1002
OPT231
OPT244-P06
OPT246
OPT255
OPT285
OPT307
OKII403C0103
OKII403C0203
LD86PCT3
LD86PCV
LD86PCV3
LK89NA7
LK89ND8
LK89PA
LK89PA7
LK89PB8
LK89PD8
FL0602
FL0504
FL0502
原装wenglor威格勒I08H032电感式传感器规格参数