电 话:021-39526589-8004
联系人:覃小敏
手 机:19117262520
地 址: 中国 上海 嘉定区嘉涌路99弄6号713

更新时间:2026-05-06 浏览数:65
所属行业:机械设备> 阀门> 电磁阀
发货地址:
产品规格:--
产品数量:1
包装说明:--
单 价:面议
供应schmalz施迈茨标准电磁阀
企业qq:2880626086
手机;(微信)
电话:-8002
邮箱:@163.com
联系人;余玲
产品编号:10.05.02.00162 电磁阀emvp用于真空,气动先导控制 标称尺寸:5 mm
电压:24v - dc
功能:3/2换向阀
控制:常闭
连接螺纹:g1 / 8“-f
压力范围(工作压力): -
0.95 ... 8.00 bar
控制压力范围:
3.0 ... 6.0 bar
标称流量:3m3/ h
重量:0.11 kg
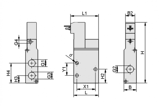
产品解剖

| 属性 | 值 |
|---|---|
| 乙 | 15毫米 |
| b2 | 15毫米 |
| d | 4.3毫米 |
| g1 | g1 / 8" -f |
| g2 | g1 / 8" -f |
| g3 | g1 / 8" -f |
| g4 | m5-f |
| h | 88.4毫米 |
| span | 19.5毫米 |
| span | 12毫米 |
| h4 | 27毫米 |
| 大号 | 32毫米 |
| l1 | 37毫米 |
| x1 | 23毫米 |
| y1 | 15毫米 |
供应schmalz施迈茨标准电磁阀