电 话:021-39526589-8004
联系人:覃小敏
手 机:19117262520
地 址: 中国 上海 嘉定区嘉涌路99弄6号713

更新时间:2026-05-06 浏览数:109
所属行业:电工电气> 低压电器(电工电气)> 继电器
发货地址:
产品规格:--
产品数量:1
包装说明:--
单 价:面议
带你了解和泉IDEC强制导向式继电器的作用

特征:
符合海外安全标准
强制导向式触点结构(EN50205 Type A TüV认证)
快速响应时间
实现了8ms以内的响应时间。可快速关闭负载,确保安全。
抗冲击性能高
抗冲击性能高,在有机床及设备振动、冲击的环境下也可安心使用。可承受200m/s2以上的误动作冲击。
优越的可视性能
内置可视性能优越的动作显示LED。
实现了产品的小型化以及薄型化
凭借继电器主体的小型化以及薄型化,实现PCB的小型化。
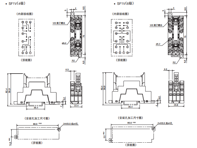
4极型:13(W)×40(D)×24(H)mm
6极型:13(W)×50(D)×24(H)mm
插座种类齐全

具备对应PCB用插座及DIN导轨用插座。继电器更换简单。
轻松实现安全继电器模块、安全控制器的输出增设!
能够检测出因触点的熔接、破损等引起的故障,有助于构建安全电路。
强制导向式继电器的触点开闭通过连接到衔铁的导向装置强制执 行。
按照EN50205要求,在NO触点和NC触点的独立组合中,例如, 当NO触点熔接时,即使断开继电器线圈,(无励磁状态)NC触 点也不关闭,确保0.5mm以上的触点间隙。
此外,当NC触点熔接时,即使启动线圈,(励磁状态)NO触点 也不关闭,确保0.5mm以上的触点间隙。
(非强制导向式普通电磁继电器的触点不具备上述特征。)
能够检测出因触点的熔接、破损等引起的故障,有助于构建安全电路。
能够检测出因触点的熔接、破损等引起的故障,有助于构建安全电路。
带你了解和泉IDEC强制导向式继电器的作用