电 话:028-86751041-8004
联系人:章莹玲
手 机:18918572467
地 址: 中国 上海 嘉定区嘉涌路99弄6号713

更新时间:2024-11-20 浏览数:1279
所属行业:机械设备> 阀门> 执行器
发货地址:
产品规格:--
产品数量:1
包装说明:--
单 价:面议
SMC锁紧阀IL211-02的常见故障解决方法

特征:
气控过程控制管路中气源或供气配管系中发生异常时,使用锁定阀单作用
,双作用型:应急保持操作部的位置,直至气源恢复正常状态三通口:异
常发生时,切换供给口
工作原理:
当进入上隔膜室的信号压力大于通过的力时按下调节弹簧,隔膜A向上移动,
排气阀关闭,发出信号压力进入下隔膜弯度,隔膜B受影响,阀门打开
对着春天,流动可以从IN到OUT。 当信号压力低于设定压力,推动隔膜和低
压隔膜的压力从排气阀排出。 因此,阀门通过弹簧力和空气回路关闭被关闭
了。 对于单一操作型,阀门为单座,双座为双演戏。
实物图:

注意事项:
如果处理不当,压缩空气可能会造成危险。 维护和更换单元部件只能由经
过培训且经验丰富的人员执行仪表设备以及产品规格。
为了维护,拆卸锁止阀或更换单元部件而不拆卸,停止预先供应压力和排
气残余压力。
安装,维修和拆卸后,连接压缩空气并进行适当的操作功能测试和泄漏测
泄漏它的座位部分,但它在公差范围内。
检查供气是否清洁。 如果供气中含有灰尘,颗粒,油和水分进入设备后,
可能会导致锁止阀故障或失灵定期检查空气处理设备。
拆卸锁止阀时,在滑动部分涂抹少量润滑脂(“O”)环)。使用Toray
试。 如果血噪音大于初始状态或操作异常,停止操作并检查安装是否合适。
检查压缩空气流动的管道是否漏气。 空气管道漏气可能恶化特征。空气从
排气口不断排出,这种空气消耗是必不可少的阀门结构,如果范围在规格
范围内,则不成问题。隔膜(隔膜橡胶片之间的布料)和隔膜的少量空气
Silicon SH45硅脂润滑脂。
型号:
IL211-02
IL211-02-ST
IL211-02-T
IL211-N02
VPA4150-DNS2322
VPA4170-14
VPA4224S-02
VPA4350-10
VPA4350-10-N
VPA4354-00
VPA4450-06
IL220-02
IL220-02-S
EIL100-F02
CXSM10-25
CXSM10-30
CXSM10-50
CXSM15-10
CXSM15-15
CXSM15-40
CXSM15-50
CXSM15-60
CXSM15-100
CXSM15-125-XB11
CXSL10-60
CXSL15-10
CXSM20-15
CXSM20-20
CXSM20-50
CXSM20-70
CXSM20-75
CXSM20-90
CXSM20-100
EIL100-F02-L
EIL100-F03
EIL100-F03-L
IL100-02
VPA3145-04-X64
VPA3145-06
VPA3145-06-N
VPA3145V-03
VPA3145V-06
VPA3165-06
VPA3165-06-N
VPA3165-10
VPA3165-10-N
VPA3165-10-X28
VPA3165-12
VPA3165-12-N
VPA3165-12-X28
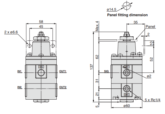
尺寸图:

SY5120-5D-01
SY5320-5D-01
SY9120-4GD-03
SY7120-4GD-02
CDJP2F6-5D
CJPB6-10
CJPB6-15
CJP2B6-5D
CDJP2B6-5D
CJP2B6-20D
CDJP2F6-10D
CJPB10-5H6
VPA4225-02
VPA4225-03
VPA4250-03
VPA4250-04
VPA4250-06
VPA4250-10
VPA4250-10-N
VPA4254-00
VPA4270-12
VPA4270-14
VPA4350-03
VPA4350-04
VPA4350-06
CDJP2D16-5D
CJ2B10-20S
CDJ2B16-10Z-B
CDJ2B16-15Z-B
CDJ2B16-25Z-B
CDJ2B16-30Z-B
CDJ2B16-40Z-B
CJ2B16-45SZ
VPA3165V-06
VPA3165V-10
VPA3165V-12
VPA3185-12
VPA3185-14
VPA3185-14-N
VPA3185-20
VPA3185-20-F
IL100-02B
IL100-02-L
IL100-02-S
IL100-03
IL100-03-L
IL100-03-S
IL100-03-T
IL100-F02
SMC锁紧阀IL211-02的常见故障解决方法