电 话:021-39526589-8004
联系人:覃小敏
手 机:19117262520
地 址: 中国 上海 嘉定区嘉涌路99弄6号713

更新时间:2022-11-18 浏览数:70
所属行业:机械设备> 阀门> 执行器
发货地址:
产品规格:--
产品数量:1
包装说明:--
单 价:面议
康茂盛CAMOZZI导向气缸QCB2A025A040详解

技术数据:
结构形式 单气缸,双导杆,单固定板,QCT 型采用青铜粉末冶金
安装方式 借助于基体上的螺纹孔或通孔
导向套,QCB 型采用滚珠直线导轨导向套
工作方式 双作用
材料 阳极氧化铝合金基体,镀锌钢前固定板,轧辊 AISI 303
行程 见标准行程表
工作温度 0 ÷ 80°C(干燥空气为 -20°C)
不锈钢活塞杆,聚氨酯密封件,轧辊 420B 不锈钢导杆(QCT)或
C50 淬硬钢导杆(QCB)
实物图:

种类:
单作用气缸:仅一端有活塞杆,从活塞一侧供气聚能产生气压,气压
推动活塞产生推力伸出,靠弹簧或自重返回。
双作用气缸:从活塞两侧交替供气,在一个或两个方向输出力。
速(10~20米/秒)运动的动能,借以做功。
无杆气缸:没有活塞杆的气缸的总称。有磁性气缸,缆索气缸两大类
膜片式气缸:用膜片代替活塞,只在一个方向输出力,用弹簧复位。
它的密封性能好,但行程短。
冲击气缸:这是一种新型元件。它把压缩气体的压力能转换为活塞高
型号:
42M2N032A0280
42M2N032A0283
42M2N032A0290(25)
42M2N032A0300
42M2N032A0405
42M2N032A0410
42M2N032A0220
42M2N032A0225
42M2N032A0230
42M2N032A0235
42M2N032A0240
42M2N032A0250
42M2N032A0250(25)
42M2N032A0330
42M2N032A0335
42M2N032A0340
42M2N032A0350
42M2N032A0350V
42M2N032A0720
42M2N032A0750
42M3N032A0750
42M2N032A0785
42M2N032A0800
42M4N032A0800
42M2N032A0820
42M2N032A0850
42M2N032A0880
42M2N032A0900
42M2N032A0910
42M2N032A0916
42M2N032A1000
42M2N032A1030
42M2N032A1050
42M2N032A1100
42M2N032A0420
42M2N032A0425
42M2N032A0430
42M2N032A0440
42M2N032A0450
42M2N032A0455V
42M2N032A0458
42M2N032A0480
42M2N032A0480V
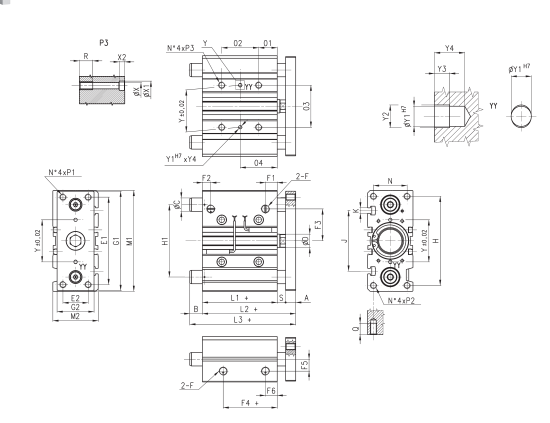
尺寸图:


42M2N032A0500
42M3N032A0500
42M2N032A0520
42M2N032A0525
42M6N032A0250
42M2N032A0255
42M2N032A0260
42M2N032A0270
42M2N032A0530
42M2N032A0540
42M2N032A0550
42M2N032A0560
42M2N032A0580
42M2N032A0300EX
42M6N032A0300
42M2N032A0320
42M6N032A0320
42M2N032A0400
42M2N032A1150
42M2N032A1200
42M2N032A1300
42M2N032A1400
42M3N032A1400
42M2N032A1450
42M2N032A1500
60N1L032A0005
60N2L032A0006
60N2L032A0008
60N2L032A0010
60N2L032A0013
60N2L032A0015
42M2N032A0355
42M2N032A0360
42M2N032A0370
42M2N032A0375
42M2N032A0380
42M2N032A0250(80)
42M3N032A0250
42M2N032A0400V
42M2N032A0400W
康茂盛CAMOZZI导向气缸QCB2A025A040详解