电 话:021-39526589-8004
联系人:覃小敏
手 机:19117262520
地 址: 中国 上海 嘉定区嘉涌路99弄6号713

更新时间:2026-04-30 浏览数:68
所属行业:机械设备> 阀门> 执行器
发货地址:
产品规格:--
产品数量:1
包装说明:--
单 价:面议
日本小金井KOGANEI过滤器DF600系列规格参数

特征:
采用了高性能的分离滤芯,流量与流速发生变化时仍可保证一定的
99%的分离水准
无需更换进行滤芯的交换
简介:
过滤器由壳体、多元滤芯、反冲洗机构、和差压控制器等部分组成。
有反冲 洗吸盘。工作时,浊液经入口进入过滤器下腔,又经隔板孔
壳体内 的横隔板将其内腔分为上、下两腔,上腔内配有多个过滤芯
,这样充分利用了过滤空间,显着缩小了过滤器的体积,下腔内安装
进入滤芯的内腔。大于过滤芯缝隙的杂质被截留,净液穿过缝隙到达
上腔, 后从出口送出。
实物图:

弹性过滤器:
弹性过滤器大的优点是免维护,可自动清洗,避免了,滤芯长时间
) 机床行业(加工冷却液、毛刺处理机等) 食品行业(排水处理、
油炸残渣的回收) 泳池、浴池、温泉等大型场所循环水的过滤 高压
的工作堵塞的隐患。产品特性:免维护、可自动清洗 清洗时间短(3
秒) 清洗时弹簧开口间隙均等且可摆动 可代替网式、筒式、袋式等
过滤器 降低综合成本 应用范围: 汽车行业(加工机械、清洗机械等
水切割、剥离装置冷却塔循环水的过滤(砂石、木片、异物的去除)
型号:
NHBRS-16
RAPS20-360
ORS32X150-KL-ZE135A3-15W
GP3P-40
PR100(0.02-0.5MP)
ATBD25*30
SGDA12*100
R100M1BSTN1MR102GD20
A110-4E1-39
YMDAGS6*20
FR300-02-A-63W
BDAS10*5
CDAD16-5
CHR-12
A010E1
110-4E1-PLL-3L DC 24V
BDA10*45-1W
SGDAPQ25X10
ZE202B
TDBA25*30
TWDA20*100-HA
NHBDP-16
PBDAS6-75
TBBAS6-75
CSA12*15
DAC100*40
BSALS6*15-ZC130-A2
DJSA20*10
A110-4E1-25-81W
ATBDAD25*30
NDAS10*10
F10M4AJ
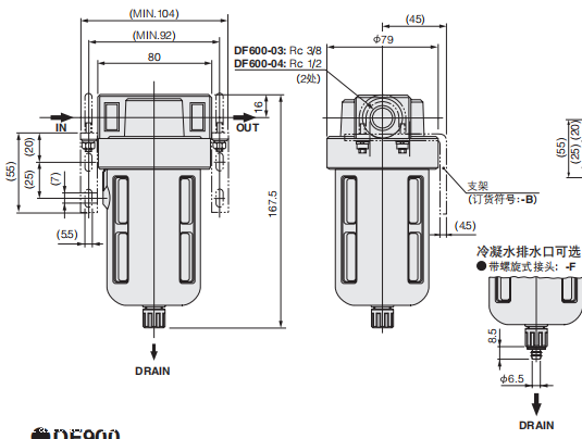
尺寸图:

ST4-F10BP
STN1-3F10T1-A1-PL DC24V
TBBAS6-75
CTAS12*5
A180-4E1-25-39-89W
ATBD25*30
SGDA12*100
SGDA16*20
MRCH10*80
AMV090-04-PL-13W
V062E1
025E1-DC5V
BF5
EB10A1-PS-16W 5VDC
EB10A3-PS-16W 5VDC
EBM2A-16W
SGDA16*20
180-4EI-PSL-240V
DABK32*75-RL-4
CHD-30
CHD-40
VV250AE1-62-C24V
F300-02-1/8-B
CDAD80*30
ORCA16*300-L-F
TBDA10*20
日本小金井KOGANEI过滤器DF600系列规格参数