电 话:028-86751041-8004
联系人:王倩
手 机:15308020014
地 址: 中国 上海 嘉定区嘉涌路99弄6号713

更新时间:2022-11-18 浏览数:39
所属行业:机械设备> 阀门> 执行器
发货地址:
产品规格:--
产品数量:1
包装说明:--
单 价:面议
美国VICKERS威格士CG-03系列溢流阀详细信息
介绍:
安全保护作用:系统正常工作时,阀门关闭。只有负载超过规定的
制阀,作顺序阀,用于产生背压(串在回油路上)。
溢流阀一般有两种结构:1、直动型溢流阀 。2、先导式溢流阀。
极限(系统压力超过调定压力)时开启溢流,进行过载保护,使系统
压力不再增加(通常使溢流阀的调定压力比系统高工作压力高
10%~20%)。
实际应用中一般有:作卸荷阀用,作远程调压阀,作高低压多级控
公司简介:
VICKERS威格士是伊顿集团流体动力部门旗下的一个全球知名的液
压品牌,其主要产品包括液压泵、马达、油缸、液压阀等。伊顿的
球6大洲超过125个国家拥有6万员工。年销售额为122亿美元。产
品涉及汽车、卡车、重型设备、民航、国防军事、居住、电讯和数
流体动力产品应用广泛,包括土方机械、农业、建筑、航空、采矿
制造商,在全球的工业领域享有技术、质量可靠的声誉。在全
据传输、工业设备和公共设施、商业机构和府机关、以及运动和
、林业、公共设施和物料搬运。伊顿是全球的多元化工业产品
娱乐的各个领域。
实物图:

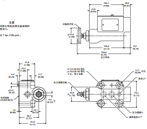
压力调整:
松开锁紧螺母转动调整螺杆或可选择的手轮来调整压力,顺时针旋
转压力增高,逆时针旋转压力降低。
型号:
KSDG4V-3-96L-24-M-U1-H7-11比例阀
DGMC-5-BT-FW-B-30
DGMC-3-PT-CW-41
CVU-25EF-1B29-4531
DG4V-3-6C-M-U-H5-60
DGMC2-5-AB-FW-BA-FW-30
DGMX2-3-PA-CW-B-40溢流阀
DGMX2-5-PA-FW-B-30
DGMX2-5-PA-BW-B-30
DGMX2-5-PA-BW-B-30
02332675 KDG5V-33C80N-E-
CVCS32-PC-B2910
DG4V-2-6C-VM-U-H6-10
DG4V-3-6B-M-U-H7-60
DG4V-5-2CJ-M-U-H7-60
DG4V-5-2A-M-U-A6-20
XG2V6FW10
CVCS-16-C3-B29-W-250-11插装阀
CVCS-40-W13-B29-10
DGMPC-5-ABK-BAK-30
DGMX2-3-PP-BW-B-40
DGMFN-5-X-A2W-B2W-30
CVI-25-D20-2M-10
DG4V-5-2NJ-M-U-H6-20
DG4V-3-SOB-M-U-H5-60
尺寸图:

DGMDC-3-Y-PK-41
KBDG5V-8-33C330N-X-M1-PE7-H1-10比例阀
DG17V-3-6C-60
DG4V-3-2A-M-U-H7-60
DGMFN-5-Y-A2W-B2W-30
DGMPC-3-ABK-BAK-41
DGMPC-3-ABK-41
DGMPC-3-ABM-BAM-41
DGMDC-3-XBK-41M-U-H1-10
CVI-25-D20-2L-10
DGMX2-3-PA-BW-B-40节流阀
CVCS-25-U-B29-W-250-11
DGMC2-3-AB-CW-BA-CW-41
DGMFN-3-X-A2W-B2W-41
DG3VP-3-103A-V-M-U-H-10
DGMX2-3-PA-CW-B-40
DGMX2-3-PP-BH-B-40
DGMX2-5-PP-BW-B-30
KBDG5V-8-2C330N-T-M1-PE7-H1-10
KDG4V-3-2C13N-M-U-H7-60 油压传动阀
DGMX2-3-PA-BW-B-40
美国VICKERS威格士CG-03系列溢流阀详细信息