电 话:021-39526589-8004
联系人:覃小敏
手 机:19117262520
地 址: 中国 上海 嘉定区嘉涌路99弄6号713

更新时间:2026-04-27 浏览数:62
所属行业:机械设备> 阀门> 执行器
发货地址:
产品规格:--
产品数量:1
包装说明:--
单 价:面议
原装VICKERS威格士RXGM系列平衡阀报价快

简介:
平衡阀是一种特殊功能的阀门,阀门本身无特殊之处,只在于使用
衡该差值,在相应的管道或容器之间安设阀门,用以调节两侧压力
功能和场所有区别。 在某些行业中,由于介质(各类可流动的物质)
在管道或容器的各个部分存在较大的压力差或流量差,为减小或平
的相对平衡,或通过分流的方法达到流量的平衡,该阀门就叫平衡阀。
平衡阀:
威格士“压力平衡”式平衡阀通过内控或者外控方式引入一个压力
飞升来用于控制液压系统中的油流的卸荷和顺序。可供货的有以下
用于保持系统中垂直负载不下降。所有型号都有内置单向阀提供反
型式:平衡阀,1 型-内控式,平衡阀,4 型-外控式,这些阀通常
向自由流动,(当不需要反向自由流动时,参考不带内置单向阀的衡
阀)
实物图:

介绍:
VICKERS威格士在大陆的合作进程中,吸收大量合作机构,推进液
及信任关系。同时为了缩短供货期保证客户的贴身利益,还专门建
压泵、马达、油缸、液压阀等产品流通,凭借着力士乐产品种类齐
VICKERS威格士分销商、生产配套厂、使用客户,建立了长期供货
全、价格低 、供货期快、售后服务有保证等,已与国内各
立了VICKERS威格士常用备件的库存。
型号:
DG4V-3-2N-M-U-D6-60
KBDG5V-8-33C330N-X-M1-PE7比例阀
DGMC-5-BT-FW-B-30
DGMC-3-PT-CW-41
CVU-25EF-1B29-4531
CVCS32-PC-B2910
DGMC-5-AT-FW-B-30
DGMC-5-PT-GW-B-30
DGMC-5-PT-GW-B-30
DGMDC-3-Y-AM-41
DGMDC-3-Y-P-K-40
DGMDC-5-Y-PK-30
DGMFN-3-X-A2W-B2W-40
DGMFN-3-X-A2W-B2W-41
DGMFN-3-X-B2W-41
DGMFN-3-Y-A2W-B2W-40
DGMFN-3-Y-A2W-B2W-40
DGMFN-3-Z-T2W-41
DGMFN-5-X-A2W-30
DGMFN-5-X-B2W-30
DG4V-2-6C-VM-U-H6-10
DG4V-3-6B-M-U-H7-60
DG4V-5-2CJ-M-U-H7-60
DG4V-5-2A-M-U-A6-20
PVH131QIC-RSF-13S-10-C25V-31柱塞泵
PVM045ER06CS02AAA28000000A0A
DGMPC-5-ABK-BAK-30
DGMPC-5-BAK-30
DGMPC-7-ABK-BAK-11
DGMR-3-TA-BW-B-40
DGMRC-5-Y-AA-BH-11
DGMX2-3-PA-BW-B-40
DGMX2-3-PB FW-B-40
02351918 KBDG5V733C170NEXHM1PE7H110
DGMPC-5-ABN-BAN-30
CVU16EFP1B291931
DGMDC-5-Y-AK-BK-30
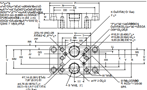
尺寸图:


DGMDC-5-Y-AK-30
DGMDC-5-Y-AK-30
DGMDC-5-Y-BK-30
DGMDC-5-Y-BK-30
DGMFN-3-Y-A2W-B2W-40
DGMFN-3-Y-A2W-B2W-41
DGMFN-3-Y-A2W-B2W-41
DGMFN-3-Y-B2W-41
DGMFN-3-Z-P2W-41
DGMFN-3-Z-P2W-41
DGMDC-5-Y-AM-30
DGMDC-5-Y-AM-30
KDGMH 5 616266 10
KDGMH 5 616266 10
DGMX 7 PP G H 20
DGMX 7 PP G H 20
DGMC 7 AT F H 20
DGMC 7 AT F H 20
DGMC 7 AT G H 20
KXG-8-W100-Z-M-U-H1-10
KXG-8-W250-Z-M-U-H1-10
DGMR-5-A1-FW-B1-FW-30
DGMR-5-B1-FW-30
DGMRC-5-Y-AA-BH-11
DGMRC-5-Y-AA-BH-11
DGMX1-3-PPBW-20-JA-S5
DGMX1-3-PP-BW-B-40-EN13
DGMX1-3-PP-CW-B-40
DGMX2-3-PB-FW-B-40
DGMX2-3-PP-BW-B-40-EN13
DGMX2-3-PP-CH-B-40
DGMPC-3-ABK-BAK-41
DGMPC-3-ABK-BAK-41
DGMPC-3-BAK-41
DGMX2-3PB-PB-FWB40
DGMX2-3-PP-BW-B-40
DGMX2-3-PP-BW-B-40-EN13
DGMX2-3-PP-CW-B-40
DGMX2-3-PP-FW-B-40
DGMX2-3-PP-FW-B-40
DGMX2-3-PP-CW-B-40
DGMX2-3-PP-FW-B-40
KBCG-3-250D-Z-M12APE7H110
02341644 PVQ13A2RSE1S20C1412
原装VICKERS威格士RXGM系列平衡阀报价快