电 话:021-39526589-8004
联系人:覃小敏
手 机:19117262520
地 址: 中国 上海 嘉定区嘉涌路99弄6号713

更新时间:2026-04-27 浏览数:57
所属行业:机械设备> 阀门> 执行器
发货地址:
产品规格:--
产品数量:1
包装说明:--
单 价:面议
高可靠性VICKERS威格士PCGV系列液控单向阀

特征和优点:
● 由于压降小,使功率损耗较小。
● 采用带释压阀芯的型号可以平稳地释放所储存的能量。
● 使用执行器供应的控制压力代替远程外控源的电磁先导型有超快
● 采用外泄型可以与流量控制阀配合使重物平稳下放。
● 零泄漏设计能防止执行器因单向阀泄漏而“窜动”。
的响应。
● 国际标准安装面使它可以装在许多现有设备上。
● 由于功率/重量比较高,可减少安装成本和空间。
应用:
(1)保持压力。
滑阀式换向阀都有间隙泄漏现象,只能短时间保压。当有保压要求
时,可在油路上加一个液控单向阀,利用锥阀关闭的严密性,使油
,可能引起活塞和活塞杆下滑。将液控单向阀接于液压缸下腔的油
路,则可防止液压缸活塞和滑块等活动部分下滑。
(3)实现液压缸锁紧。
当换向阀处于中位时,两个液控单向阀关闭,可严密封闭液压缸两
路长时间保压。
(2)液压缸的"支承"。
在立式液压缸中,由于滑阀和管的泄漏,在活塞和活塞杆的重力下
腔的油液,这时活塞就不能因外力作用而产生移动。
实物图:

概述:
这种液控单向阀可作为直动式单向阀来工作,但也能靠控制活塞上
PCG5V型装有电磁先导阀,省去了单独的安装并可包括用于就地
应急控制的手动操作。PCG5V型的液压控制源可来自就近的受控
的控制压力开启而允许反向自由流动。使阀开启所需的控制压力值
表达为单向阀上的压力对控制压力之比。
按控制方法的不同,有两种基本型式的阀。P CGV型是传统式,需
及穿过关闭先导阀的微小内泄会引起不可接受的缸“窜动”量的场
合,可换用威格士座阀式先导阀。此先导阀可为DG3VP-3-103A
一个外部远程先导阀来控制对控制活塞的加压和卸压。另一种
液压缸的负载压力或来自遥控源。在必须使用液压缸压力的场合以
型(见样本642);请向您的威格士人征求意见。所有PCG
(5)V阀均可以带或不带内装释压特征
型号:
CBV1-10-K-0-A-50/
CBV1-10-K-PS3G-A-3022
CBV1-10-S-0-A-30
CBV1-10-S-0-A-30/10
VCB1-12-S-0-A-50/
VCB112S0A50/
VCB1-12-C-0-A-30/
VCB112C0A30/
VCB1-10-C-0-A-50/
VCB110C0A50/
VCB1-10-S-0-A-30/
VCB110S0A30/
VCB1-10-C-0-A-30/
VCB110C0A30/
VCB1-10-S-0-A-50/
VCB110S0A50/
CBV1-10-S-0-A-30/20
CBV1-10-S-0-A-50
CBV1-10-S-0-A-50/30
CBV1-10-S-0-A-50/35
CBV1-10-S-0-B-30
CBV2-10-C-1S3G-A-50
CBV2-10-S-0-A-30
CBV2-10-S-0-A-50
VCB1-10-C-0-A-30/
VCB110C0A30/
VCB1-10-S-0-A-50/
VCB110S0A50/
VCB1-12-S-0-A-30/
CVI-32-DC16-L-40
CVI-32-DC16-M-40
CVI-32-F-2-L-10
CVI-32-F-2-M-10
CVI-32-HFV-20-A-63-10
CVI-32-HFV-20-B-63-10
CVI-32-R-2-M-10
CVI-32-R16-L-40
CVI-32-R16-M-40
CVI-32-U-40
CVI-32-X2-40
CVI-32-ZD105-L-10
CVI-32-ZD105-M-10
CVI-40-C10F-H-40
CVI-40-C10F-L40
CVI-40-D10-C-40
VCB112S0A30/
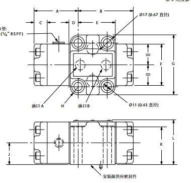
尺寸图:


VCB1-12-S-0-A-30/
VCB112S0A30/
VCB1-12-S-0-A-50/
VCB112S0A50
CBV2-10-S-0-B-30
CBV2-12-C-0-B-50/30
CBV2-12-S-0-A-30/
CBV2-12-S-0-A-50/
CBV2-12-S-0-B-30/
CBV7-10-S-0-A-15/
CBV7-10-S-0-A-40/
CBV7-10-S-0-B-40/
CBV8-10-S-0-A-25/
CBV1-10-S-0-B-50
CBV1-10-S-0-B-50/32
CBV1-10-S-IA3G-A-30/
CBV1-10V-S-0-A-30/
CBV1-12-C-0-A-30/
CVI-40-D105V-H-40-10
CVI-40-D105V-H-40-12
CVI-40-D105V-L-40
CVI-40-D105V-M-40
CVI-40-D16-H-40
CVI-40-D16-L-40
CVI-40-D16-M-40
CVI-40-D20-2-H-10
CVI-40-D20-2-L-10
CVI-40-D20-2-L-10-EN106
CVI-40-D20-2-M-10
CVI-40-D20-2-M-10-EN120
CBV1-12-C-0-A-50/
CBV1-12-C-0-B-30/
CBV1-12-C-0-B-50/
高可靠性VICKERS威格士PCGV系列液控单向阀