电 话:028-86751041-8004
联系人:章莹玲
手 机:18918572467
地 址: 中国 上海 嘉定区嘉涌路99弄6号713

更新时间:2024-11-20 浏览数:41
所属行业:机械设备> 阀门> 执行器
发货地址:
产品规格:--
产品数量:1
包装说明:--
单 价:面议
日本原装SMC气爪MHL2-10D

介绍:
SMC平行气爪的手指是通过两个活塞动作的。每一活塞由一个滚轮
动手指总是轴向对心移动,每个手指是不能单独移动的。如是手指反
和一个双曲柄与气动手指相连,形成一个特殊的驱动单元。这样,气
向移动,则先前受压的活塞处于排气状态,而另一个活塞处于受压状态。
实物图:

注意事项:
含有大量冷凝水的场合
若压缩空气中含有大量冷凝水就会导致空气压缩机动作不到位。应在
空气过滤器。
有关上述压缩空气质量的详细资料,请参照本公司的“压缩空气净化
过滤器前安装空气干燥器、冷凝水收集器。
冷凝水排放管理
空气过滤器的冷凝水若未及时排放,就会流入回流管道,致使空气压
系统”。
空气的类别
所使用的压缩空气不得含有化学试剂、有机溶剂的合成油、盐及腐蚀
密封胶带的缠绕方法
在安装配管及接头等零部件时,应避免配管的切削粉末和密封材料混
缩机动作不良。
难以实施冷凝水排放管理的场合,请使用带有自动冷凝水排放功能的
性气体,否则会导致设备损坏或动作不良。
入产品内部。
另,在使用密封胶带缠绕时,螺纹部位应留出 1.5~2 牙螺纹。
型号表示:

型号:
L-CDJ2B16-155-B
L-CDJ2B16-159A-A
L-CDJ2B16-159AZ-A
L-CDJ2B16-15-A
L-CDJ2B16-15A-B
L-CDJ2B16-15AR-B
L-CDJ2B16-15-A-XC8
20-MHL2-25D2-X2304
20-MHL2-32D
20-MHL2-32D2
20-MHL2-40D1
20-MHL2-40D2
25-MHL2-32D2-X4115
EMHL2-32D
EMHL2-40D
EMHL2-40D1
EMHL2-40D2
EMHW2-50D
L-CDJ2B16-175-B-XB9
L-CDJ2B16-175-B-XC8
L-CDJ2B16-175R-B
L-CDJ2B16-175RZ-B
L-CDJ2B16-17-B
L-CDJ2B16-17Z-B
L-CDJ2B16-180A-B
L-CDJ2B16-180-B
L-CDJ2B16-185-B
L-CDJ2B16-15AZ-B
L-CDJ2B16-15-B-XC8
20-MHL2-20D1
20-MHL2-20D2
20-MHL2-25D2
MHL2-10D
MHL2-10D1
MHL2-10D2
MHL2-10D2-X4
MHL2-10D2-X5
MHL2-10D-X1628
MHL2-10D-X2348
MHL2-10D-X2390
L-CDJ2B16-15-B-XC9
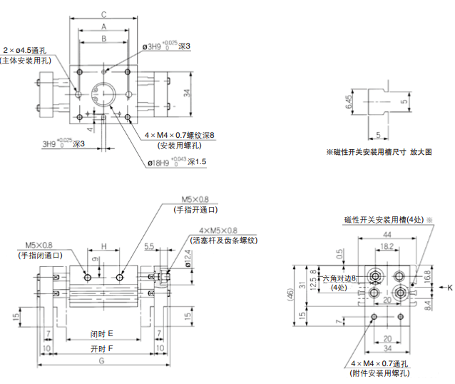
尺寸图:

L-CDJ2B16-15R-A
L-CDJ2B16-15R-B
L-CDJ2B16-175A-B-XB13
L-CDJ2B16-175-A-XB9
L-CDJ2B16-175AZ-B
L-CDJ2B16-175-B
L-CDJ2B16-18S-B
L-CDJ2B16-195-B
MHL2-16D-X5
MHL2-16D-X975
MHL2-16D-Y59A
MHL2-16D-Y59AL
MHL2-16D-Y69B-X2001
MHL2-20D
MHL2-20D1
MHL2-20D2
MHL2-20D-X2565
MHL2-25D
MHL2-25D1
MHL2-25D1-Y59A
MHL2-25D2
MHL2-25D-X4157
MHL2-32D
L-CDJ2B16-20+10-B-XC10
L-CDJ2B16-15RZ-B
L-CDJ2B16-15S-B
L-CDJ2B16-15SR-A
L-CDJ2B16-15SR-B
L-CDJ2B16-15SZ-B
日本原装SMC气爪MHL2-10D