电 话:028-86751041-8004
联系人:王倩
手 机:15308020014
地 址: 中国 上海 嘉定区嘉涌路99弄6号713

更新时间:2025-04-19 浏览数:44
所属行业:机械设备> 阀门> 执行器
发货地址:
产品规格:--
产品数量:1
包装说明:--
单 价:面议
日本SMC压力表G33-10-01

简介:
压力表(英文名称:pressure gauge)是指以弹性元件为敏感元件
与技术测量过程中,由于机械式压力表的弹性敏感元件具有很高
,测量并指示高于环境压力的仪表,应用极为普遍,它几乎遍及
系统、车辆维修保养厂店等领域随处可见。尤其在工业过程控制
的机械强度以及生产方便等特性,使得机械式压力表得到越来越
所有的工业流程和科研领域。在热力管网、油气传输、供水供气
广泛的应用。
实物图:

压力表按测量介质特性不同可分为:
1、一般型压力表:一般型压力表用于测量无爆炸、不结晶、不凝
,常用的有不锈钢型压力表、隔膜型压力表等;
3、防爆型压力表:防爆型压力表用在环境有爆炸性混合物的危险
固对铜和铜合金无腐蚀作用的液体、气体或蒸汽的压力;
2、耐腐蚀型压力表:耐腐蚀型压力表用于测量腐蚀性介质的压力
场所,如防爆电接点压力表,防爆变送器等。
4、专用型压力表。
型号:
CXSM15-100
JAF63-18-150
MGPM50-150Z
MDBF100-20Z
MDBT63-500Z
MXQ8L-10AS-M9NL
MXQ12L-30A-M9NL
AS1001FG-06
CRB1BW100-270S
JA30-10-125
MXQ8-30A
JA10-4-070
VF5120-4GB-03
SY9140-5DZD-03带底板
MGPM40-75Z
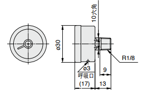
尺寸图:

MDBB32-300
VBA20-A-03GN
CDRA1BS63-90C
VF5120-4GB-03
D-M9BA
ZP10BGS
ZP106BGS
MXQ12-20-A93L
CDQ2A80-175DCZ-M9N
CDQSB16-10DCM
CDQSB20-40DC
D-Y69B
AS1001FG-04
ZP13BN
AFD30-N02D-Z-X2149
VS4124-001
VS4134-001
ZSE30AF-C4L-N-ML

ITV0030-3MS 24V
D-A96
CDQSB16-10DCM
CDQ2B32-15DZ
CQ2B20-PS
ASD330F-01-06S
AW40-F04BG-2
LVA20-02-B
CDUK16-40D
CDU10-30D
CDQ2D32-75DMZ-M9BWL
CDA2G80-650Z-M9BWL
CDU10-20D
CDU10-10D
ZP2-TB15MTF-H5
VX230GF
VF5120-4GB-03
CDA2G100-75-A54Z
CDM2B32-25Z
VQZ3121-5YZ1-02
CQ2B25-PS
CQ2B32-PS
CQ2B40-PS
CDA2T50-600Z-M9BWL
CDA2T50-500Z-M9BWL

CDA2G80-30Z-M9BWL
MGPM50-75Z-M9BWL
JA10-4-070
JA105-6-100
JA15-5-080
CQ2A16-20D
VFS3100-1FZ-03带底座
KJL06-M5
CDQ2A20-50DZ-M9BL
CQ2B50-PS
CQ2B63-PS
CQ2B80-PS
AS2052F-08
VHK2-06F-06F
SY7320-5LZD-02
KQ2L08-01S
AS1201F-M3-04

AS2001F-06
CRB2BW15-180SE
JAF63-18-150
CA2B100-150Z
MY1M20-500L
CRB1BW100-270S
KPH06-02
KPH08-01
日本SMC压力表G33-10-01