电 话:021-39526589-8004
联系人:覃小敏
手 机:19117262520
地 址: 中国 上海 嘉定区嘉涌路99弄6号713

更新时间:2026-04-21 浏览数:30
所属行业:仪器仪表> 阀门> 电磁阀
发货地址:
产品规格:--
产品数量:1
包装说明:--
单 价:面议
EP062E1-01 ,KOGANEI防爆电磁阀样本

产品简介:
电磁阀 (圆形防爆型)
防爆电磁阀EP062系列
●耐压防爆的构造的基础上,增加防水构造,是安全性和信赖度很高的电磁阀。
●采用独特的膜片提升阀方式,几乎没有空气泄漏
防爆电磁阀EP062系列
动作方式 有效截面积 mm2 配管连接口径
直动型 1.8 Rc1/8.Rc1
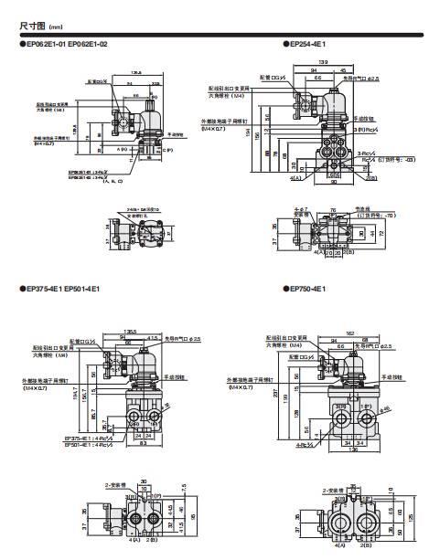
防爆电磁阀尺寸图


产品型号表
| DAB-425X32,DAB-450X32,DAB-475X32,DAB-4100X32, | ||||
| DAB-4125X32,DAB-4150X32,DAB-4200X32,DAB-4250X32, | ||||
| DAB-4100X40,DAB-4125X40,DAB-4150X40,DAB-4200X40, | ||||
| DAB-4250X40,DAB-4300X40,DAB-4350X40DAB-4400X40, | ||||
| DAB-4450X40,DAB-4500X40DAD-25X20,DAD-50X20, | ||||
| DAB-4300X32,DAB-4350X32,DAB-4400X32,DAB-4450X32, | ||||
| DAD-75X20,DAD-100X20DAD-125X20,DAD-150X20, |
EP062E1-01 ,KOGANEI防爆电磁阀样本