电 话:021-39526589-8004
联系人:覃小敏
手 机:19117262520
地 址: 中国 上海 嘉定区嘉涌路99弄6号713

更新时间:2026-03-11 浏览数:63
所属行业:机械设备> 气动元件(机械、工业制品、行业设备)> 气缸
发货地址:
产品规格:--
产品数量:1
包装说明:--
单 价:面议
防旋转的意大利CAMOZZI紧凑气缸

尺寸32R2A063A015的全部资料

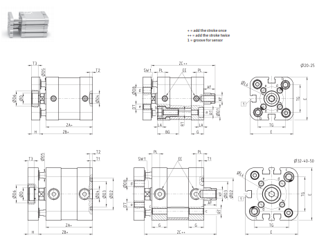
产品尺寸图
尺寸图

系列综合参数
结构形式 紧凑型
工作方式 单作用和双作用,磁传
材料 铝合金型材缸筒,阳极氧化铝合金端盖和活塞,辊
轧 AISI 303 不锈钢活塞杆,聚氨酯密封件
安装方式 借助端盖上的螺纹孔
法兰,脚架,耳轴
行程(1) 缸径 20 - 25 = 5 ÷ 300 mm
缸径 32 - 40 - 50 - 63 = 5 ÷ 400 mm
缸径 80 - 100 = 5 ÷ 500 mm
工作温度 0 ÷ 80°C(干燥空气为 -20°C)
工作压力 双作用:1 ÷ 10 bar
单作用:2 ÷ 10 bar
介质 洁净空气,不需润滑。如使用了油雾润滑,应不间
断地使用油雾润滑(建议使用 ISO VG32 润滑油)
工作速度 10 ÷ 1000 mm/s (空载)
双作用式气缸型号大全
| 32M2A063A150/300N |
| 32M2A063A150/300/400N |
| 32M2A063A150/230NEX |
| 32M2A063A160N2 |
| 32M2A063A195/295N |
| 32M2A063A200/230N |
| 32M2A063A215/230N |
| 32M2A063A246/492NV |
| 32R2A063A010 |
| 32R2A063A015 |
| 32R2A063A020 |
| 32R2A063A025 |
| 32R2A063A030 |
| 32R2A063A040 |
| 32R2A063A050 |
| 32R3A063A050 |
| 32R2A063A055 |
防旋转的意大利CAMOZZI紧凑气缸