电 话:028-86751041-8004
联系人:章莹玲
手 机:18918572467
地 址: 中国 上海 嘉定区嘉涌路99弄6号713

更新时间:2024-11-20 浏览数:130
所属行业:化工> 阀门> 电磁阀
发货地址:
产品规格:--
产品数量:1
包装说明:--
单 价:面议
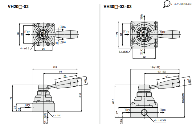
SMC手动阀VH200-02-X256

特点:
?可通过把手的朝向直观地判断流向
●可根据手柄方向一眼确认空气流动方向
字段描述 字段取值 取值描述
主体尺寸 4 1/2 基准
配管及安装方法 0 配管方向:侧; 安装方法:阀体
机能 1 3位中泄式
螺纹的种类 - Rc
连接口径 04 1/2


SMC手动阀VH200-02-X256