电 话:021-39526589-8004
联系人:覃小敏
手 机:19117262520
地 址: 中国 上海 嘉定区嘉涌路99弄6号713

更新时间:2026-03-11 浏览数:39
所属行业:机械设备> 气动元件(机械、工业制品、行业设备)> 气缸
发货地址:
产品规格:--
产品数量:1
包装说明:--
单 价:面议
新款CDRB1BW63-180S-T79LS,摆动气缸

产品描述
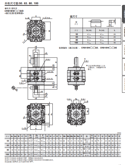
CRB1 系列 摆动气缸 叶片式
●可安装小型磁性开关!(D-M9□型)
●重要部件对应不锈钢规格(定制规格)
●接口位置有缸体侧面和轴向两种
●安装方法:直接安装、脚座型安装
●带磁性开关(CDRB1系列:CDRB1、CDVRB1)
字段描述 字段取值 取值描述
内置磁环 D 内置磁环
安装方式 B 基本型
轴形式 W 双轴(长轴带键&四面铣平)
尺寸 63 63
可选项1 - 标准型
摆动角度 180 180°
叶片形式 S 单叶片
接管口位置 - 缸体侧面
可选项2 - 标准型
磁性开关型号 T79L 无触点磁性开关, 直接出线式, 带指示灯, 2线式, 横引出,
导线长3m, 适用电压:DC24V(DC10~28V)
磁性开关个数 S 1个
订制规格 - 标准/Rc
尺寸图


新款CDRB1BW63-180S-T79LS,摆动气缸