电 话:021-39526589-8004
联系人:覃小敏
手 机:19117262520
地 址: 中国 上海 嘉定区嘉涌路99弄6号713

更新时间:2024-12-07 浏览数:25
所属行业:机械设备> 气动元件(机械、工业制品、行业设备)> 其他气动元件
发货地址:
产品规格:--
产品数量:1
包装说明:--
单 价:面议
德国品牌AVENTICS拉杆气缸;R480627515

产品资料
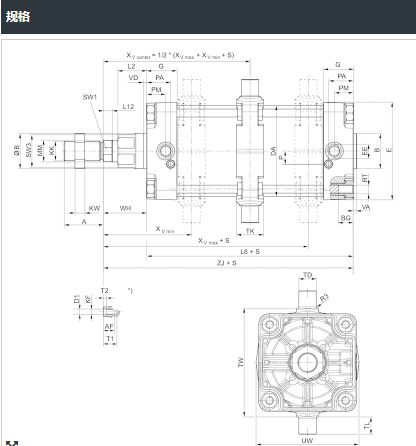
拉杆气缸ISO 15552, 系列 ITS - R480627515
? 250 mm接口 G 1双作用式缓冲 气动 可调节的带有耳轴安装件活塞杆 外螺纹ATEX 中可选
拉杆气缸ISO 15552, 系列 ITS
实用原则 双作用式
缓冲 气动
可调节的
活塞直径 250 mm
活塞杆螺纹 M42x2
标准化 ISO 15552
行程 125 mm
密封件材料 丙烯树胶
防尘圈 丙烯树胶
ATEX 中可选
压缩空气连接 G 1
压缩空气接口型号 内螺纹
技术信息
标准 ISO 15552
合格证书 ATEX 中可选
压缩空气连接 内螺纹
工作压力范围 2 ... 10 bar
低 / 高环境温度 -20 ... 80 °C
介质温度范围 -20 ... 80 °C
介质 压缩空气
颗粒大小 max. 50 μm
压缩空气中的含油量 0 ... 5 mg/m3
确定活塞推力的压力 6.3 bar
材料
气缸管子 铝材, 阳极氧化处理
活塞杆 不锈钢
前端盖板 铝材-压铸件
后盖 铝材-压铸件
密封 丙烯树胶
用于活塞杆的特殊螺母 钢, 镀锌
防尘圈 丙烯树胶
耳轴支架 球状石墨铸铁
拉杆 不锈钢
技术规格

产品型号
R480627519
R480627520
R480627521
R480627523
R480627513
R480627528
R480627529
R480627530
R480627531
R480627532
R480627533
R480627535
R480627536
R480627537
R480627538
R480627539
R480627540
R480627541
R480627524
R480627525
R480627526
R480627527
R480627547
R480627506
R480627507
R480627508
R480627509
R480627511
R480627512
R480627542
R480627543
R480627544
R480627545
R480627514
R480627515
R480627516
R480627517
R480627518
R480627548
R480627549
R480627550
R480627551
R480627552
德国品牌AVENTICS拉杆气缸;R480627515