电 话:028-86751041-8004
联系人:王倩
手 机:15308020014
地 址: 中国 上海 嘉定区嘉涌路99弄6号713

更新时间:2024-11-20 浏览数:88
所属行业:化工> 阀门> 电磁阀
发货地址:
产品规格:--
产品数量:1
包装说明:--
单 价:面议
乾拓售;50-VPE742R-5TD-04A 进口SMC防爆型5通电磁阀

特长:
防爆规格符合国际标准(IEC标准)。
防水性:符合JISF8001第3种散水试验。
无需考虑先导阀排气设备。(主阀、先导阀共同排气型[50-VFE3000])
可以集装化(50-VEF)
可作为选择阀、分流阀使用,也可用于真空环境。 (50-VPE)
无底座构造的扁平盒型。
?阀宽7.5mm(SJ2000)、10mm(SJ3000),节省空间。
?可混装SJ2000、SJ3000。
?采用插头插座式连接,便于阀的增减及更换。
?电磁头集中于一侧
?有4位双3通阀规格。
?集装型号:SS5J2, SS5J3
中间连接器块组件


可以通过将其插入歧管中部来使用该连接器块。
例如,当您希望分离同一歧管中的阀门的电气控制时,或者控制点数量不足时,可以使用此功能。
该组件还与带有电源端子的PC接线兼容。
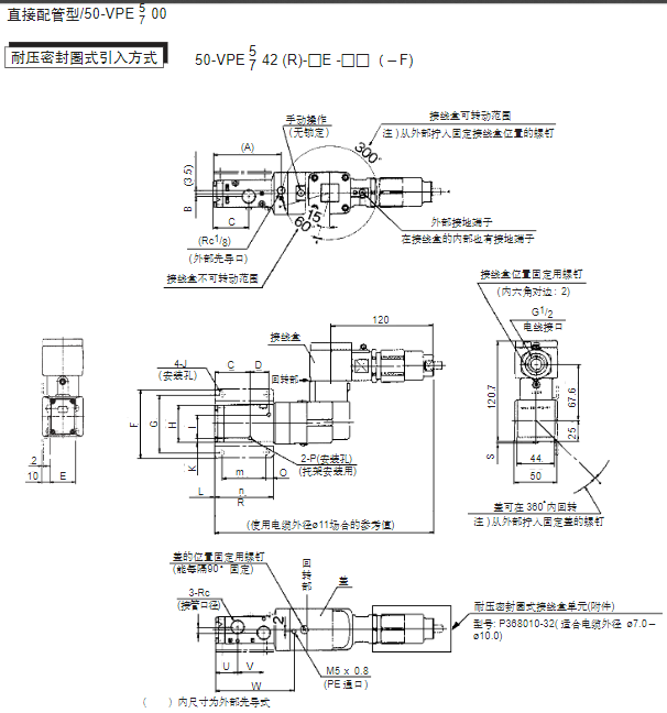
50-VPE500/700系列规格
使用流体:空气
工作压力:0.1-0.9Mpa
工作温度:max50°C
2位
3位
双控
手动操作
安装方式 自由
导线引出方式:电线管耐压螺纹结合式,耐压密封圈式
允许电压变动 额定电压的-15%~+10%
绝缘类型:B种
型号:50-VPE542-5TD-03A-F带安装支架
乾拓售;50-VPE742R-5TD-04A 进口SMC防爆型5通电磁阀