电 话:028-86751041-8004
联系人:王倩
手 机:15308020014
地 址: 中国 上海 嘉定区嘉涌路99弄6号713

更新时间:2024-11-20 浏览数:88
所属行业:化工> 阀门> 底阀
发货地址:
产品规格:--
产品数量:1
包装说明:--
单 价:面议
教您使用rexroth二通插装阀的步骤,LC100A20E6X/

特征
功能产品设计
模块化设置:
? 带有多个选项的插装阀
? 用于实现所选功能的各型号控制盖
? 阀芯位置的电子监控
功率和流量优化设计:
? 高流量
? 低压降
? 高切换速度
? 低泄漏油流
耐用型设计:
? 高可靠性
? 长久的使用寿命
其他特点:
? 小安装空间,低重量
? 便于维护
逻辑元件,方向控制功能

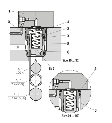
LC(插装阀)
- 规格 16 ... 160
- 组件系列 2X、6X、7X
- 工作压力 420 bar
- 流量 25000 l/min
- 标准插装按 DIN ISO 7368(至规格 100)
- 面积比 2:1 (LC..A)
- 面积比 14.3:1 (LC..B)
- 标准化“高流量”
- 阀锥带和不带缓冲轴颈
2、控制盖板订货型号:
"LFA * DB * - * / * *"
"LFA"--插装阀控制盖板
"*"--公称通径16,25,32,40,50,63,80,100
"DB"--溢流阀功能的插装阀
"*"--调节形式:1=旋钮,2=带护罩的六角套筒,3=带锁有刻度旋钮,4=不带锁有刻度旋钮
"*"--7X=(通径16-63)系列70-79,安装和连接尺寸不变,6X=(通径80和100),系列60-69,安装和连接尺寸不变
"*"--压力等级:详见说明
"*"--密封件:无代号=丁睛橡胶密封,V=氟橡胶密封(其他密封按要求)
教您使用rexroth二通插装阀的步骤,LC100A20E6X/