电 话:028-86751041-8004
联系人:章莹玲
手 机:18918572467
地 址: 中国 上海 嘉定区嘉涌路99弄6号713

更新时间:2024-11-20 浏览数:35
所属行业:机械设备> 气动元件(机械、工业制品、行业设备)> 气缸
发货地址:
产品规格:--
产品数量:1
包装说明:--
单 价:面议
SMC气爪MHZL2-10D3,平行开闭/长行程型,订货步骤

描述
?重量轻 重量多削减10%:585g →525g。
主体及内部的构造变更使质量减小。
?内置防尘构造(标准配置)。
应对粉尘环境(订制规格:-X85, -X86□)。
?长行程 1只气爪可对应多种工件尺寸。
?采用双活塞构造,外形紧凑夹持力大。
?可直接安装小型磁性开关。
■轻量
通过主体、内部结构的变更使重量减轻。
■可直接安装小型磁性开关
■追加耐粉尘环境型(订制:-X85, -X86 □)
■追加带闭时宽度调整用的调整螺栓(订制:-X28)
■性能上可替代旧型号,且安装尺寸有互换性
■3种行程扩展品

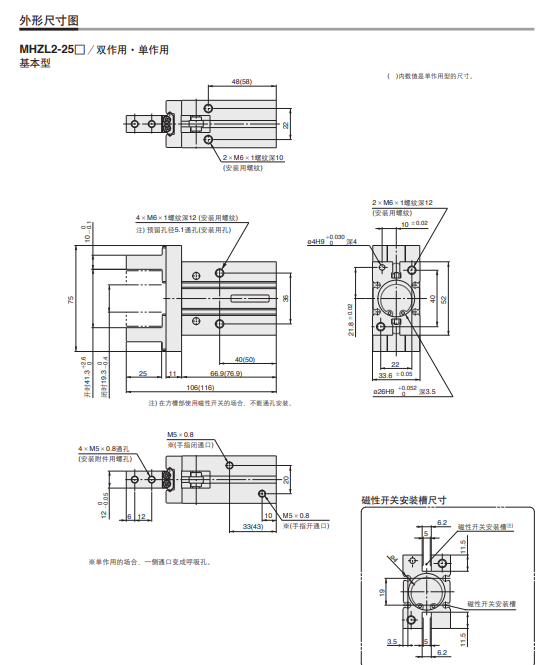
规格:
作动方式 復動型
气缸内径(mm)6 10
配管口徑尺寸M3*0.5 M5*0.8
使用流體 空氣
使用壓力范圍1.5-7(0.15-0.7)kgf/cm2(MPa)
周圍溫度-5℃--+60℃(不冻结)
高作動頻率180次/分钟
給油 氣缸 不需给油
爪片 要(涂抹润滑油)
爪臂長度(mm) 30 40 60 70 85
夾爪開關角度-10--30℃
理論把持力距kgf-cm 閉側0.4×P 0.9×P 1.7×P 3.4×P 6.1×P
開側0.5×P 1.2×P 2.3×P 4.4×P 8.1×P
有效把持力距(F) F=M/L×0.85(M:理论把持力距L:爪臂长度)
SMC气爪MHZL2-10D3,平行开闭/长行程型,订货步骤