电 话:028-86751041-8004
联系人:章莹玲
手 机:18918572467
地 址: 中国 上海 嘉定区嘉涌路99弄6号713

更新时间:2024-11-20 浏览数:30
所属行业:机械设备> 阀门> 减压阀
发货地址:
产品规格:--
产品数量:1
包装说明:--
单 价:面议
SMC大流量型减压阀规格完善,VEX1301-035DZ

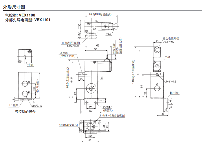
参数
M5×8
1/8,1/4,3/8,1/2,
3/4,1,11/4,11/2,2
设定压力范围
0.05~0.7
(M5:0.01~0.7)
大流量排气型减压阀。
设定灵敏度:0.2%F.S.以内。
重复精度±:0.5%F.S.。
展示图:


型号
VEX1A/B33
VEX1□30/3
控制方式
手动旋钮式(推压锁定)
手动旋钮式(推压锁定)和气控式
先导方式
内部先导(可以切换成外部先导)
使用流体
空气、CO2、N2、氟里昂(可选择:氩、氨、高温空气)
空气
供给压力
(设定压力+0.1MPa)~1MPa(高)
设定压力范围
0.01-0.7MPa
0.05-0.7MPa
环境及流体温度
0~60℃(不结露)
重复精度
小于±0.5%满值
灵敏度
小于±0.2%满值
空气消耗量
6/min(ANR)(供给压力为0.9MPa)
直线度
—
小于±1%满值
信号压力
—
0.05-0.7MPa(信号口为RC1/3)
特点:
?大容量排气型减压阀。
?灵敏度:0.2%F.S.以内。
?重复性:±0.5%F.S.以内。
系列 接管口径 设定压力范围(MPa)
VEX1A33,1B33 M5,1/8 0.01~0.7
VEX1□30,1□33 1/8,1/4,3/8,1/2,3/4,1,1 1/4,1 1/2,2 0.05~0.7
SMC大流量型减压阀安装方法:
1.减压阀的安装应在供水管网试压、冲洗合格后进行。
2.减压阀安装前应检查:其规格型号应与设计相符;
阀外控制管路及导向阀各连接件不应有松动;外观应无机械损伤,并应清除阀内异物。
3.减压阀方向应与供供气管网*。
4.应在进气侧安装过滤器,并宜在其前后安装控制阀。
5.可调式减压阀宜水平安装,阀盖应向上。
6.比例式减压阀宜垂直安装;当水平安装时,单呼吸孔减压阀其孔口应向下,双呼吸孔减压阀其孔口应呈水平位置。
SMC大流量型减压阀规格完善,VEX1301-035DZ