电 话:028-86751041-8004
联系人:章莹玲
手 机:18918572467
地 址: 中国 上海 嘉定区嘉涌路99弄6号713

更新时间:2024-11-20 浏览数:34
所属行业:机械设备> 气动元件(机械、工业制品、行业设备)> 气缸
发货地址:
产品规格:--
产品数量:1
包装说明:--
单 价:面议
SMC带导杆气缸:MGGMB25-300-C73样册

产品资料
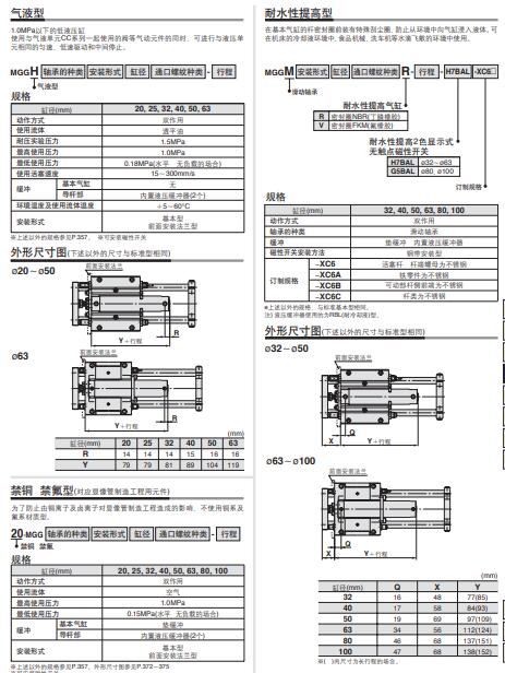
MGG 系列 带导杆气缸
●基本气缸和导杆紧凑的一体化单元
●耐横向负载/高精度不回转的直线移动单元
字段描述 字段取值 取值描述
轴承的种类 M 滑动轴承
安装形式 B 基本型
缸径 25 缸径 25mm
通口螺纹的种类 - Rc
气缸行程 300 气缸行程 300mm
行程调整标记 - 无
双行程标记 - 无双行程标记
气缸行程2 - 无气缸行程2
磁性开关型号 C73 有触点磁性开关, 直接出线式, 带指示灯,
2线式, 横引出, 导线长0.5m, 适用电压:DC24V,AC100V
磁性开关个数 - 2个 或 无
磁性开关安装件 - 无
订制规格 - 标准

其他特性
描述
Port1 1/8
缓冲形式 垫缓冲
环境温度 常温
作动速度 标准
0.2MPa理论推力IN 82.4
0.5MPa理论推力IN 206
0.6MPa理论推力IN 247
0.3MPa理论推力IN 124
0.4MPa理论推力IN 165
内置磁环 内置磁环
低使用压力 0.15
高使用压力 1.0
配管形式 上配管
产品资料

MGGMB100-200-C73; MGGMB100-250-C73;
MGGMB100-300-C73; MGGMB100-350-C73;
MGGMB80-75-C73; MGGMB80-100-C73;
MGGMB80-125-C73; MGGMB80-150-C73;
MGGMB100-75-C73; MGGMB100-100-C73;
MGGMB80-200-C73; MGGMB80-250-C73;
MGGMB100-125-C73; MGGMB100-150-C73;
MGGMB80-300-C73; MGGMB80-350-C73;
SMC带导杆气缸:MGGMB25-300-C73样册