电 话:028-86751041-8004
联系人:章莹玲
手 机:18918572467
地 址: 中国 上海 嘉定区嘉涌路99弄6号713

更新时间:2024-11-20 浏览数:56
所属行业:环保> 水处理过滤器> 袋式过滤器
发货地址:
产品规格:--
产品数量:1
包装说明:--
单 价:面议
日本SMC袋式过滤器,FGFS1B-20-E100
? 滤袋过滤精度不断提高,已达到0.5μm。
? 式过滤应用范围广,使用灵活,安装方式多样。
袋式器:
⑴袋式过滤器 结构紧凑、尺寸合理。安装及操作简单、方便,占地面积较小。
⑵ 袋式过滤器过滤精度高,适用于任何细微颗粒或悬浮物,过滤范围可从0.5~200微米。
⑶ 单位过滤面积的处理流量较大,过滤阻力较小,过滤效率高。一个液体过滤袋过滤功能相当于滤芯5~10倍,可大大降低成本;设计流量可以满足1~500m3/h要求,成本造价低。⑺ 液体袋式过滤器规格齐全,有低压式、侧入式、顶入式、多袋式、卧式。
⑻ 单袋式过滤器有:1号机、2号机、3号机、4号机、5号机。⑼ 袋式过滤器可满足不同流量的过滤要求。⑽ 袋式过滤器材质包括不锈钢SUS304、SUS316、SUS316L。折叠
袋式过滤器操作简单,使用时只需将所需要细度等级的滤袋安装在滤筒内,检查O型密封圈是否完好,然后旋紧滤筒盖环形螺栓,即可投入工作。泵启动后,过滤机上压力表微微上升,初始压力约0.05MPa左右,随着使用时间的延长,缸内滤渣逐渐增多,当压力达到0.4MPa时,应停机打开筒盖,检查滤机袋留渣情况,可更换滤袋继续使用(滤袋通过清洗一般可重复使用)。过滤机压力一般调在0.1-0.3MPa比较合适,可通过回流管路或泵上回流阀来调节,过滤压力过高会损坏滤袋以及保护网,需格外注意。主要用途油漆、啤酒、植物油、医药、化学药品、石油产品、纺织化学品、感光化学品、电镀液、牛奶、矿泉水、热溶剂、乳胶、工业用水、糖水、树脂、油墨、工业废水、果汁、食用油、腊类等。中国产业链众多,行业的生产集中度低、产品相配套的研发能力低、袋式过滤器行业制造技术水平低等现象仍然存在,进出口贸易逆差不断扩大,这种高速震荡带来的直接后果是导致品牌阵营中两极分化的趋势扩大。
? 袋式过滤处理量大、体积小,容污量大。
? 基于袋式过滤系统的工作原理和结构,更换滤袋时方便快捷,而且过滤机免清洗,省工省时。
? 过滤器滤袋清洗后可反复使用、节约成本。
袋式过滤器一种结构新颖、体积小、操作简便灵活、节能、高效、密闭工作、适用性强的多用途过滤设备。袋式过滤器是一种新型的过滤系统。袋式过滤器内部由金属网篮支撑滤袋,液体由入口流进,经滤袋过滤后从出口流出,杂质拦截在滤袋中,更换滤袋后可继续使用。
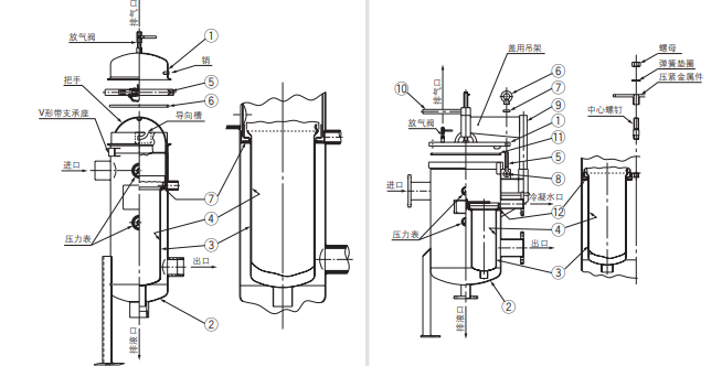
结构及工作原理:袋式过滤机是一种压力式过滤装置,主要有过滤筒体、过滤筒盖和快开机构、不锈钢滤袋加强网等主要部件组成,滤液由过滤机外壳的旁侧入口管流入滤袋,滤袋本身是装置在加强网篮内,液体渗透过所需要细度等级的滤袋即能获得合格的滤液,杂质颗粒被滤袋拦截。该机更换滤袋十分方便,过滤基本无物料消耗。
袋式过滤器具备构造合理、密封性好、流通才能强、操作简便等诸多长处。尤其是滤袋侧漏机率小,能正确地保障过滤精度,并能快捷地改换滤袋,使得操作成本下降。滤器内外表面采取机械喷砂抛光解决,平均、易清洗。我们知道,袋式过滤器所采取的过滤方法是侧进侧出的方法,也可以采取侧进底出的方法,通过管道中的压力将过滤液体介质压入或抽入袋式过滤器桶体,要过滤的液体介质经由电抛光冲孔支持滤蓝承托的过滤袋的过滤,发生变化的固液分别到达液体介质被过滤的结果。
? 滤袋侧漏机率小,有力地保证了过滤品质
? 袋式过滤可承载更大的工作压力,压损小,运行费用低,节能效果明显。
⑷ 袋式过滤器用途广泛,可用于粗滤、中滤或精滤;在达到同样过滤效果的情况下,比较起板框精滤机、滤芯式过滤器等设备具有投资成本较低、使用寿命长和过滤成本低等优点。⑸ 过滤精度高,过滤处理量大,具有成本低、效率高等特点。
⑹ 液体袋式过滤器免清洗,更换液体过滤袋可在30秒内完成,方便快捷,省工省时。
日本SMC袋式过滤器,FGFS1B-20-E100
